Каталог запасных частей к технике: ХТЗ Т-150. Система охлаждения дизеля
1
2
3
4
5
6
7
8
8
8
8
8
9
10
11
12
13
14
15
16
17
18
19
20
21
22
23
24
25
26
27
28
29
30
31
32
33
34
35
36
37
38
39
39
39
40
41
42
43
43
44
45
46
47
48
48
48
48
48
48
48
49
49
50
51
51
51
51
51
51
52
52
53
54
55
56
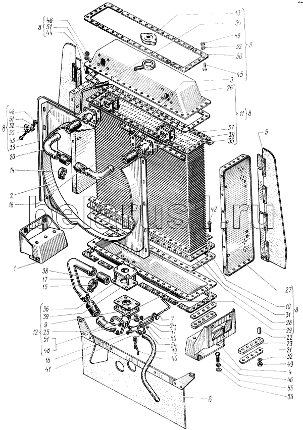
| Позиция на иллюстрации | Заводской номер детали | Название детали | |
|---|---|---|---|
| 150.13.001-1А | 150.13.001-1А | Система охлаждения двигателя СМД-62 с унифицированным радиатором | |
| 1 | 150.13.012-3 | Кронштейн радиатора и ограждения левый | |
| 2 | 150.13.015-2 | Кожух вентилятора в сборе | |
| 3 | 150.13.019-2 | Кронштейн тросика в сборе | |
| 4 | 150.13.022-3 | Кронштейн | |
| 5 | 150.13.030-2 | Перегородка | |
| 6 | 150.13.032 | Перегородка нижняя в сборе | |
| 7 | 150.13.034А | Рукоятка в сборе | |
| 8 | 150У.13.010-3 | Заказать | Радиатор водяной |
| 9 | 150У.13.017 | Патрубок | |
| 10 | 150У.13.020-1 | Сердцевина водяного радиатора | |
| 11 | 150У.13.030-1 | Бак радиатора верхний в сборе | |
| 12 | 150У.13.040 | Бак радиатора нижний в сборе | |
| 13 | А21.01.270 | Заказать | Крышка, тип I ГОСТ 15964-70 |
| 14 | хСВА-52 | Хомут стяжной | |
| 15 | хСВА-73 | Хомут стяжной | |
| 16 | 01-176000 | Кран 01-176 | |
| 17 | 150.13.107-3 | Труба водоподводящая | |
| 18 | 150.13.114А | Шланг | |
| 19 | 150.13.125-1 | Шланг | |
| 20 | 150.13.131-3 | Трубка водоотводящая | |
| 21 | 150.13.134 | Пластина | |
| 22 | 150.13.136 | Втулка распорная | |
| 23 | 150.13.138 | Подушка радиатора | |
| 24 | 150.13.172 | Вилка | |
| 25 | 150У.13.102-4 | Бак радиатора нижний | |
| 26 | 150У.13.105-1 | Бак радиатора верхний | |
| 27 | 150У.13.139 | Стойка радиатора | |
| 28 | 150У.13.232 | Накладка внутренняя | |
| 29 | 150У.13.233 | Накладка наружная | |
| 30 | 150У.13.234 | Накладка угловая | |
| 31 | 150У.13.236 | Заказать | Прокладка баков |
| 32 | 150У.13.237 | Скоба | |
| 33 | 150У.13.309-2 | Трубка пароотводящая | |
| 34 | 150У.13.313 | Трубка соединительная | |
| 35 | 150У.13.315-1 | Патрубок верхнего бака | |
| 36 | 85У.13.340 | Фланец в сборе | |
| 37 | 85У.13.342 | Фланец в сборе | |
| 38 | 125.13.256А | Шланг | |
| 39 | М04У.13.133 | Прокладка | |
| 39 | М04У.13.133 | Прокладка | |
| 40 | ПЖ-1,6х150 | Проволока | |
| 41 | Болт М6-6gх30.88.35.019 ГОСТ 7795-70 | Болт М6-6gх30.88.35.019 ГОСТ 7795-70 | |
| 42 | Болт М10-6gх65.88.35.019 ГОСТ 7795-70 | Болт М10-6gх65.88.35.019 ГОСТ 7795-70 | |
| 43 | Болт М8-6gх16.88.35.019 ГОСТ 7796-70 | Болт М8-6gх16.88.35.019 ГОСТ 7796-70 | |
| 43 | Болт М8-6gх16.88.35.019 ГОСТ 7796-70 | Болт М8-6gх16.88.35.019 ГОСТ 7796-70 | |
| 44 | Болт М8-6gх25.88.35.019 ГОСТ 7796-70 | Болт М8-6gх25.88.35.019 ГОСТ 7796-70 | |
| 45 | Болт М10-6gх25.88.35.019 ГОСТ 7796-70 | Болт М10-6gх25.88.35.019 ГОСТ 7796-70 | |
| 46 | Болт М12-6gх25.88.35.019 ГОСТ 7796-70 | Болт М12-6gх25.88.35.019 ГОСТ 7796-70 | |
| 47 | Гайка М6.6.0112 ГОСТ 5915-70 | Гайка М6.6.0112 ГОСТ 5915-70 | |
| 48 | Гайка М8.6.0112 ГОСТ 5915-70 | Гайка М8.6.0112 ГОСТ 5915-70 | |
| 48 | Гайка М8.6.0112 ГОСТ 5915-70 | Гайка М8.6.0112 ГОСТ 5915-70 | |
| 48 | Гайка М8.6.0112 ГОСТ 5915-70 | Гайка М8.6.0112 ГОСТ 5915-70 | |
| 48 | Гайка М8.6.0112 ГОСТ 5915-70 | Гайка М8.6.0112 ГОСТ 5915-70 | |
| 49 | Гайка М10.6.0112 ГОСТ 5915-70 | Гайка М10.6.0112 ГОСТ 5915-70 | |
| 50 | Шайба 6 65Г 05 ГОСТ 6402-70 | Шайба 6 65Г 05 ГОСТ 6402-70 | |
| 51 | Шайба 8 65Г 05 ГОСТ 6402-70 | Шайба 8 65Г 05 ГОСТ 6402-70 | |
| 51 | Шайба 8 65Г 05 ГОСТ 6402-70 | Шайба 8 65Г 05 ГОСТ 6402-70 | |
| 51 | Шайба 8 65Г 05 ГОСТ 6402-70 | Шайба 8 65Г 05 ГОСТ 6402-70 | |
| 51 | Шайба 8 65Г 05 ГОСТ 6402-70 | Шайба 8 65Г 05 ГОСТ 6402-70 | |
| 52 | Шайба 10 65Г 05 ГОСТ 6402-70 | Шайба 10 65Г 05 ГОСТ 6402-70 | |
| 53 | Шайба 12 65Г 05 ГОСТ 6402-70 | Шайба 12 65Г 05 ГОСТ 6402-70 | |
| 54 | Шайба 6.04.0115 ГОСТ 11371-78 | Шайба 6.04.0115 ГОСТ 11371-78 | |
| 55 | Шайба 8.04.0115 ГОСТ 11371-78 | Шайба 8.04.0115 ГОСТ 11371-78 | |
| 56 | Шайба 12.04.0115 ГОСТ 11371-78 | Шайба 12.04.0115 ГОСТ 11371-78 |
Содержащиеся в справочниках-каталогах запасные части и детали не предлагаются к продаже, а носят исключительно информационный характер