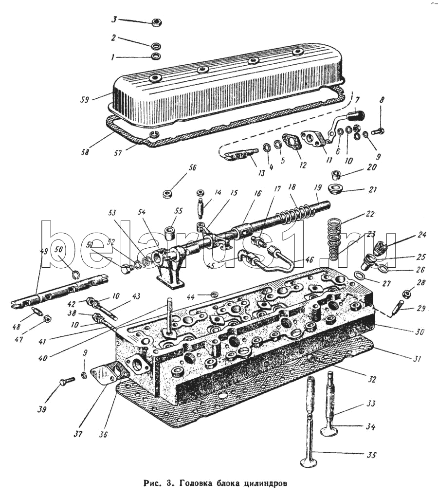
Каталог запасных частей к технике: ЮМЗ-6Л. Головка блока цилиндров
1
2
3
4
5
6
7
8
9
9
10
10
10
11
12
13
14
15
16
17
18
19
20
21
22
23
24
25
26
27
28
29
30
31
32
33
34
35
36
37
38
39
40
41
42
43
44
45
46
47
48
49
50
51
52
53
54
55
56
57
58
59
| Позиция на иллюстрации | Заводской номер детали | Название детали | |
|---|---|---|---|
| Д65-1003012 | Д65-1003012 | Головка блока в сборе | |
| Д65-1003012 СБ | Д65-1003012 СБ | Головка блока в сборе | |
| Д65-1003010 СБ | Д65-1003010 СБ | Головка блока с клапанным механизмом в сборе | |
| Д65-02-С07 СБ | Д65-02-С07 СБ | Рукоятка декомпрессора | |
| Д65-02-С07 СБ | Д65-02-С07 СБ | Рукоятка декомпрессора | |
| 1 | 53-2905621 | Кольцо уплотнительное | |
| 2 | Д48-02-01 | Прокладка | |
| 3 | Д02-031 | Гайка | |
| 4 | ОПД-156 | Шайба | |
| 5 | 36-1022049 | Кольцо сальника | |
| 6 | ОПД-216 | Шайба | |
| 7 | Д65-1003030 | Рычаг управления декомпрессией | |
| 8 | Болт М8Х30 | Болт М8Х30 | |
| 9 | Шайба 8 | Шайба 8 | |
| 10 | Шайба 10 | Шайба 10 | |
| 11 | Д02-050 | Фланец рукоятки | |
| 12 | Д02-055 | Прокладка | |
| 13 | Д02-052-В | Валик рукоятки | |
| 14 | Д02-026-1 | Винт регулировочный | |
| 15 | 36-1007116 | Коромысло клапана | |
| 16 | Д02-020 | Муфта валика | |
| 17 | Д02-021 | Ниппель | |
| 18 | Д02-016 | Пружина валика большая | |
| 19 | Д65-02-011-А | Валик коромысел | |
| 20 | 50-1007053 | Сухарь клапана | |
| 21 | 50-1007048 | Тарелка пружин клапана | |
| 22 | Д65-1017045 | Пружина клапана наружная | |
| 23 | 50-1007046 | Пружина клапана внутренняя | |
| 24 | 60-1003118 | Гайка стакана форсунки | |
| 25 | Д65-1003114-А | Стакан форсунки | |
| 26 | 60-1003111 | Кольцо уплотнительное | |
| 27 | Д65-1003116 | Кольцо уплотнительное | |
| 28 | Д02-072 | Гайка | |
| 29 | Д02-070 | Шпилька | |
| 30 | Д65-1003018 | Головка блока | |
| 31 | Д65-02-С12 СБ | Прокладка головки в сборе | |
| 32 | Д02-003 | Заглушка | |
| 33 | 50-1007032 | Втулка клапана направляющая | |
| 34 | 50-1007015-Б | Клапан выхлопной | |
| 35 | 50-1007014-Б | Клапан всасывающий | |
| 36 | Д24-064-А | Прокладка фланца | |
| 37 | 36-1003091 | Фланец | |
| 38 | Гайка М10 | Гайка М10 | |
| 39 | Болт М8Х16 | Болт М8Х16 | |
| 40 | Д65-02-015 | Шпилька стойки | |
| 41 | Шпилька БМ 10Х30 | Шпилька БМ 10Х30 | |
| 42 | Гайка М10 | Гайка М10 | |
| 43 | Шпилька БМ10Х38 | Шпилька БМ10Х38 | |
| 44 | ОПД-116 | Заглушка | |
| 45 | Д01-071 | Угольник конечный | |
| 46 | Д65-02-С04-СБ | Трубка в сборе | |
| 47 | Д02-063 | Заказать | Гайка |
| 48 | Д02-042-А | Болт декомпрессионный | |
| 49 | Д65-02-041 | Валик декомпрессионный | |
| 50 | Д02-075 | Кольцо стопорное | |
| 51 | Д02-018 | Пробка валика коромысел | |
| 52 | Шайба 16 | Шайба 16 | |
| 53 | Д02-017 | Пружина валика малая | |
| 54 | Д65-02-074 | Стойка | |
| 55 | Д02-014 | Сухарь установочный | |
| 56 | Гайка 2М12 | Гайка 2М12 | |
| 57 | Д02-034-А | Кольцо замковое | |
| 58 | Д65-02-030 | Прокладка крышки | |
| 59 | Д65-02-029 | Крышка головки блока |
Содержащиеся в справочниках-каталогах запасные части и детали не предлагаются к продаже, а носят исключительно информационный характер