Смоленск
Эль-Монте ваш город?
Да
Выбрать другой город
Написать в
WhatsApp
Написать в
Telegram
Каталог

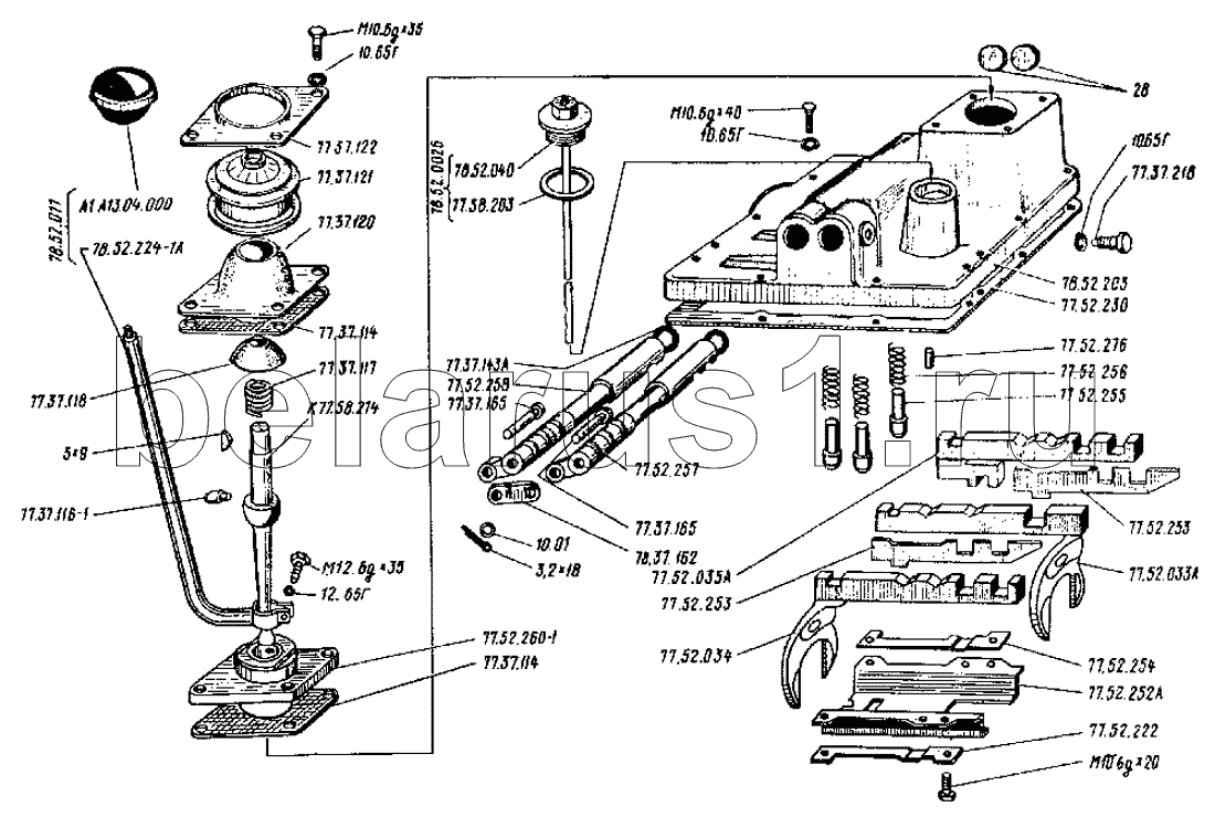
Каталог запасных частей к технике: ВгТЗ ДТ-75Н. Ходоуменьшитель

zoom-in zoom-out enlarge shrink circle-right circle-left file-text2 info cart
78.52.040
77.52.255
77.37.162
78.52.224-1А
К77.58.214
78.52.011
А13.04.000А
77.52.256
77.37.117
77.38.203
77.52.260-1
78.52.002Б
77.37.116-1
77.52.276
5х9
3.2х18
77.37.118
10.01
12.65Г
10.65Г
10.65Г
10.65Г
77.37.121
77.52.230
77.37.114
77.37.114
28
77.52.033А
77.52.034
77.52.257
77.52.258
77.37.218
М12.6gх35
М10.6gх40
М10.6gх35
77.37.120
77.37.122
77.52.254
77.52.222
77.52.035А
77.52.253
77.52.253
77.37.165
77.37.165
77.52.252А
78.52.203
77.37.143А
М10.6gх20
Позиция на иллюстрации Заводской номер детали Название детали
78.52.040 78.52.040 Щуп
77.52.255 77.52.255 Фиксатор
77.37.162 77.37.162 Серьга
78.52.224-1А 78.52.224-1А Рычаг
К77.58.214 К77.58.214 Рычаг
78.52.011 78.52.011 Рычаг
А13.04.000А А13.04.000А Рукоятка
77.52.256 77.52.256 Пружина
77.37.117 77.37.117 Заказать Пружина рычага
77.38.203 77.38.203 Прокладка пробки
77.52.260-1 77.52.260-1 Фланец
78.52.002Б 78.52.002Б Ходоуменьшитель
77.37.116-1 77.37.116-1 Штифт рычага
77.52.276 77.52.276 Штифт
5х9 5х9 Шпонка сегментная
3.2х18 3.2х18 Шплинт
77.37.118 77.37.118 Шайба сферическая
10.01 10.01 Шайба ГОСТ 11371-78
12.65Г 12.65Г Шайба ГОСТ 6402-70
10.65Г 10.65Г Шайба ГОСТ 6402-70
77.37.121 77.37.121 Чехол
77.52.230 77.52.230 Прокладка
77.37.114 77.37.114 Прокладка фланца
28 28 Заглушка ГОСТ 3111-67
77.52.033А 77.52.033А Вилка ведущего вала
77.52.034 77.52.034 Вилка ведомого вала
77.52.257 77.52.257 Валик передний
77.52.258 77.52.258 Валик задний
77.37.218 77.37.218 Болт стопорный
М12.6gх35 М12.6gх35 Болт
М10.6gх40 М10.6gх40 Болт
М10.6gх35 М10.6gх35 Болт
77.37.120 77.37.120 Колпак
77.37.122 77.37.122 Кольцо прижимное
77.52.254 77.52.254 Пластина замковая
77.52.222 77.52.222 Пластина замковая
77.52.035А 77.52.035А Планка переключения
77.52.253 77.52.253 Планка разделительная
77.37.165 77.37.165 Палец валика блокировки переднего
77.52.252А 77.52.252А Обойма
78.52.203 78.52.203 Крышка верхняя
78.52.032 78.52.032 Крышка верхняя
77.37.143А 77.37.143А Кольцо уплотнительное
М10.6gх20 М10.6gх20 Болт
Содержащиеся в справочниках-каталогах запасные части и детали не предлагаются к продаже, а носят исключительно информационный характер