Каталог запасных частей к технике: РСМ Дон 1500Б. Вентилятор
1
1
2
3
4
5
6
6
7
8
9
9
10
11
12
13
14
15
16
17
18
19
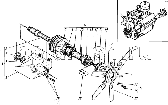
| Позиция на иллюстрации | Заводской номер детали | Название детали | |
|---|---|---|---|
| 1 | 238АК-1002200 | Опора привода вентилятора | |
| 2 | 238АК-100.2202 | Опора привода вентилятора | |
| 3 | 27 | Шайба | |
| 4 | 311412-П2 | Гайка | |
| 5 | 238АК-1308050 | Ось привода вентилятора | |
| 6 | 238АК-1308011 | Привод вентилятора | |
| 7 | 238АК-1308025 | Шкив | |
| 8 | 238Б-1029240 | Манжета | |
| 9 | 306А | Подшипник | |
| 10 | 238АК-1308051 | Втулка | |
| 11 | 840.1029142 | Шайба упорная | |
| 12 | 313404-П2 | Штифт 5х12 | |
| 13 | 066-072-36-2-1 | Кольцо ГОСТ 18829-73 | |
| 14 | 238АК-1308121 | Крышка | |
| 15 | 252136-П2 | Шайба | |
| 16 | 201499-П29 | Болт крепления фильтра | |
| 17 | 238АК-1308012 | Крыльчатка вентилятора | |
| 18 | 313404-П2 | Штифт 5х12 | |
| 19 | 238АК-3701792 | Проставка |
Содержащиеся в справочниках-каталогах запасные части и детали не предлагаются к продаже, а носят исключительно информационный характер