Смоленск
Эль-Монте ваш город?
Да
Выбрать другой город
Написать в
WhatsApp
Написать в
Telegram
Каталог

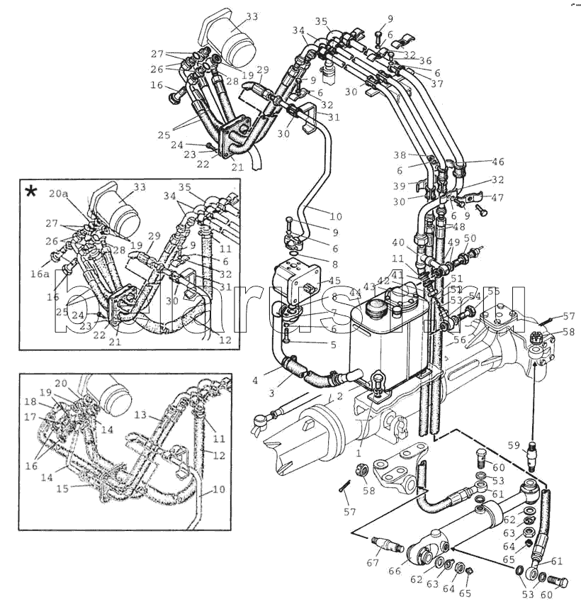
Каталог запасных частей к технике: МТЗ-922. Управление рулевое гидрообъемное

zoom-in zoom-out enlarge shrink circle-right circle-left file-text2 info cart
1
2
3
4
5
6
6
6
6
6
6
6
6
7
8
8
9
9
9
9
9
10
10
11
11
11
12
12
13
14
14
15
16
16
16
16a
17
18
19
19
19
20
20a
21
21
22
22
23
23
24
24
25
25
26
26
27
27
28
28
29
29
30
30
30
30
31
31
32
32
32
32
33
33
33
33
34
34
35
35
36
37
38
39
40
41
42
43
44
45
45
45
46
47
48
49
50
51
52
53
53
53
54
55
56
57
57
58
58
59
60
60
61
61
62
62
63
63
64
64
65
65
66
67
Позиция на иллюстрации Заводской номер детали Название детали
1 ШП16 Шайба
2 М16х30 Болт
3 1321-3407018-02 Шланг
4 25-40/19-C6W Хомут Норма
5 М8х40 Болт
6 ШП8 Шайба
7 922-3407030 Маслопровод
8 017-022-30-1-4 Кольцо
9 М8х30 Болт
10 923-3407020 Маслопровод
11 16-25/9-C6W Хомут «Норма»
12 952-3407014-04 Шланг
13 П100-4607140-02 Рукав высокого давления
14 922-3407070 Маслопровод
15 П100-4607140-03 Рукав высокого давления
16 85-3407105 Болт
16a 85-3407105-01 Болт
17 85-3407105-03 Болт
18 922-3407090 Маслопровод
19 Ф80-3407157 Заказать Шайба
20 922-3407080 Маслопровод
20a 923-3407080-01 Маслопровод
21 2522-6703034 Прокладка
22 1522-3407011 Крышка
23 ШП6 Шайба
24 М6х16 Винт
25 680-4607140-04 Рукав высокого давления
26 1522-3407016 Штуцер
27 025-029-25-2-2 Кольцо
28 530-4614029 Заказать Заказать Угольник
29 Н.036.83.040 Рукав высокого давления
30 70-3506027 Втулка
31 922-3407018 Кронштейн
32 70-3407146 Планка
33 OSPC160-ON150G0030 Насос-дозатор
33 LAGC160-10/200-140М01-100S Насос-дозатор
33 SUB 160-140.200-1 Насос-дозатор
34 923-3407040 Маслопровод
35 923-3407060 Маслопровод
36 М8Х14 Болт
37 923-3407011 Кронштейн
38 М8 Гайка
39 70-3407144 Планка
40 923-3407050 Тройник
41 600-3407083 Шланг
42 Ф80-3407111-01 Крышка клапана
43 12.000-100 Шарик
44 923-3407100 Бак
45 НШ14Д-3Л Насос шестеренчатый
45 НШ14Г-3Л Насос шестеренчатый
45 20А14х126 Насос шестеренчатый
46 70-4604156 Планка
47 40-4607029-А Планка
48 952-3407100 Рукав высокого давления
49 40-4607033-А Заказать Шайба
50 1221-3407140-01 Клапан
51 Ф80-3407113 Направляющая
52 80-3407221 Пружина
53 Ф80-3407114 Заказать Шайба
54 В22-3407095 Корпус клапана
55 40-4607032 Заказать Болт
56 40-4607038-А Заказать Шайба
57 4х36 Шплинт
58 102-3405113 Заказать Гайка
59 102-3405112-01 Заказать Заказать Палец
60 Ф80-3407201 Заказать Болт
61 952-3407020 Заказать Переходник
62 ШЧ20 Шайба
63 Ф80-3405103 Шайба стопорная
64 М20х1,5 Гайка
65 1,1.Ц6Хр Масленка
66 Ц63-3405115-02 Гидроцилиндр
67 102-3405111 Заказать Заказать Заказать Палец
Содержащиеся в справочниках-каталогах запасные части и детали не предлагаются к продаже, а носят исключительно информационный характер