Смоленск
Эль-Монте ваш город?
Да
Выбрать другой город
Написать в
WhatsApp
Написать в
Telegram
Каталог

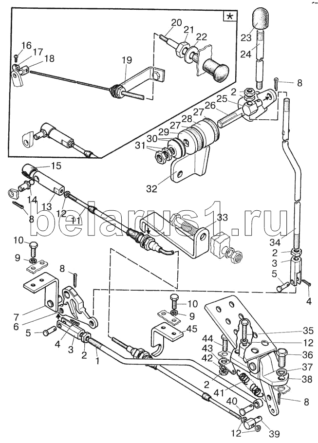
Каталог запасных частей к технике: МТЗ-822. Управление подачей топлива

zoom-in zoom-out enlarge shrink circle-right circle-left file-text2 info cart
1
2
2
2
2
3
3
4
4
5
5
6
7
8
8
8
8
9
9
10
10
11
12
12
12
13
14
15
16
17
18
19
20
21
22
23
24
25
26
27
27
28
29
30
31
32
33
34
35
36
37
38
39
40
41
42
43
44
45
Позиция на иллюстрации Заводской номер детали Название детали
1 821-1108537 Тяга
2 М8 Гайка
3 80В-1108542 Наконечник тяги
4 2х12 Шплинт
5 70-1601109-01 Заказать Палец
6 80В-1108506 Заказать Рычаг
7 821-1108030 Кронштейн
8 3,2х18 Шплинт
9 ШП6 Шайба
10 М6х20 Винт
11 80-1108300-02 Трос
12 М6 Гайка
13 600-1108032 Ось
14 600-1108031 Шарнир
15 600-1108033 Скоба
16 ВМ4х10 Винт
17 70-1310441 Заказать Фиксатор
18 70-1108317-01 Бонка
19 80-1108026 Кронштейн
20 80-1108630 Трос
21 М12х1,25 Гайка
22 ШП12 Шайба
23 А13.11.000-01 Рукоятка
24 922-1108146 Рукоятка
25 70-1108317 Бонка
26 822-1108030-Б Валик
27 80-1108178 Шайба фрикционная
28 822-1108022 Втулка
29 822-1108028 Шайба
30 80В-1108347 Заказать Пружина тарельчатая
31 М14х1,5 Гайка
32 822-1108021 Кронштейн
33 821-1108053 Кронштейн
34 821-1108073 Тяга
35 М6х30 Болт
36 М10х25 Болт
37 ШП10 Шайба
38 922-1108010 Педаль
39 808-1108317 Бонка
40 Палец 8х22 Палец
41 70-4803019 Заказать Пружина
42 ШП8 Шайба
43 80В-1108341 Кронштейн
44 М8х25 Болт
45 821-1108504 Кронштейн
Содержащиеся в справочниках-каталогах запасные части и детали не предлагаются к продаже, а носят исключительно информационный характер