Каталог запасных частей к технике: МТЗ-80.1. Отопитель
80-8101810
1
2
3
4
5
6
7
8
9
9
10
10
11
11
11
11
11
11
12
12
13
13
14
15
16
17
18
19
20
21
22
23
24
25
26
26
26
27
27
28
29
29
30
30
30
31
32
32
32
32
33
34
35
36
38
38
39
40
41
41
42
43
44
45
46
47
48
49
50
50
51
52
52
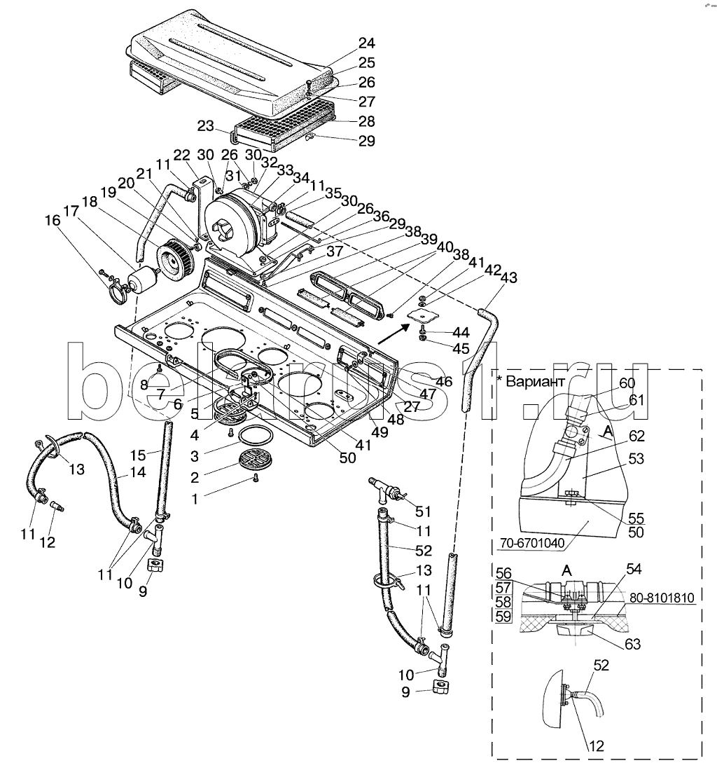
| Позиция на иллюстрации | Заводской номер детали | Название детали | |
|---|---|---|---|
| 80-8101720 | 80-8101720 | Заказать | Отопитель в сборе |
| 80-8101810 | 80-8101810 | Панель | |
| 80-8101830 | 80-8101830 | Арматура отопителя | |
| 1 | 6х18 | Палец | |
| 2 | 150.95.301 | Заказать | Воздухораспределитель |
| 3 | 80-8100013 | Накладка | |
| 4 | 2х12.019 | Шплинт | |
| 5 | 50-8400031 | Ось | |
| 6 | 80-8100048 | Петля | |
| 7 | 80-8101714-07 | Уплотнитель | |
| 8 | В.М6-6gх20.58.019 | Винт | |
| 9 | 80-8100052 | Пробка | |
| 10 | 80-8100051 | Заказать | Тройник |
| 11 | XC-23 | Хомут | |
| 12 | 80-8100023 | Заказать | Штуцер |
| 13 | 80-3723045-01 | Манжета | |
| 14 | 80-8102015-02 | Шланг L=1840 мм | |
| 15 | 80-8101015 | Шланг | |
| 16 | XC-76 | Хомут | |
| 17 | 9742.3730 | Заказать Заказать | Электродвигатель |
| 18 | 80-8104034 | Ротор | |
| 19 | М4-6Н.6.019 | Гайка | |
| 20 | 80-8104039 | Кольцо | |
| 21 | В.М4-6gх10.58.019 | Винт | |
| 22 | 80-8101721 | Растяжка | |
| 23 | 80-8101714-04 | Уплотнитель | |
| 24 | 80-8101760 | Крышка | |
| 25 | М6-6gх20.88.35.019 | Болт | |
| 26 | 6Т | Шайба | |
| 27 | С6.01.019 | Шайба | |
| 28 | 80-8104070 | Заказать | Фильтр |
| 29 | 80-8101820 | Подвеска | |
| 30 | М6-6Н.6.019 | Гайка | |
| 31 | С6.01.019 | Шайба | |
| 32 | 1216К.8101060 | Радиатор | |
| 32 | 41.035-1013010 | Радиатор отопителя | |
| 32 | РО-8101070 | Радиатор отопителя | |
| 32 | 70У-8101070-А | Заказать | Радиатор отопителя |
| 33 | 80-8101730-A | Кожух | |
| 34 | ПР32-06 | Уплотнитель | |
| 35 | 80-8101800 | Коробка | |
| 36 | 80-3703046-A | Шпилька | |
| 37 | 80-8100014 | Стержень | |
| 38 | В.М6-6gх20.58.019 | Винт | |
| 39 | 80-8100011-Б | Заказать | Крышка |
| 40 | 80-8100012 | Заслонка | |
| 41 | М8-6Н.6.019 | Гайка | |
| 42 | С8.01.019 | Шайба | |
| 43 | 80-8102015 | Шланг L=700 мм | |
| 44 | М8-6gх35.88.35.019 | Болт | |
| 45 | A30.04.017-01 | Колпачек | |
| 46 | 80-8101810 | Панель | |
| 46 | 80-8100100 | Заказать | Панель |
| 47 | 70-6702111 | Угольник | |
| 48 | М6-6gх16.88.35.019 | Болт | |
| 49 | 80-8101713 | Обивка | |
| 50 | 8Т | Шайба | |
| 51 | BC-11 | Кран | |
| 52 | 80-8102015-03 | Шланг L=500 мм |
Содержащиеся в справочниках-каталогах запасные части и детали не предлагаются к продаже, а носят исключительно информационный характер