Каталог запасных частей к технике: МТЗ-80. Управление гидроузлами
1
2
2
2
2
3
3
3
4
5
6
7
8
9
9
10
11
11
11
12
12
12
13
13
13
14
15
16
16
17
18
19
20
21
22
23
23
24
25
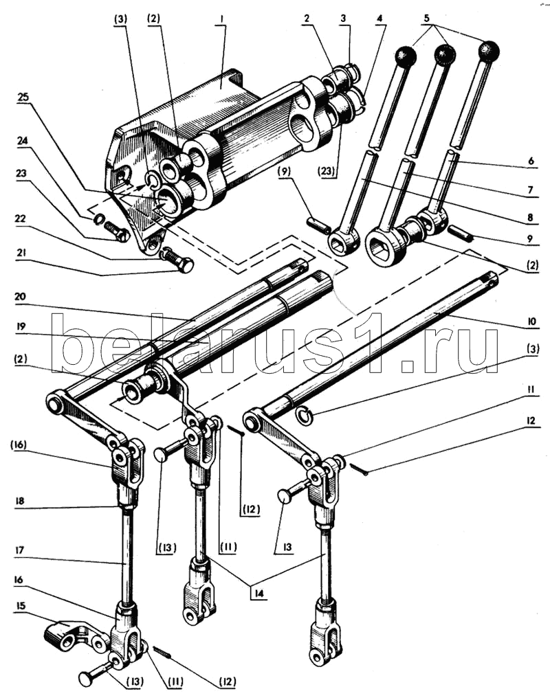
| Позиция на иллюстрации | Заводской номер детали | Название детали | |
|---|---|---|---|
| 80-4607040 | 80-4607040 | Заказать | Кронштейн |
| 80-4607260 | 80-4607260 | Заказать | Тяга 80-4607087 с вилкой и гайкой в сборе, L=198 мм |
| 80-4607260-01 | 80-4607260-01 | Тяга 80-4607087-01 с валом, осью и болтом в сборе, L=237 мм | |
| 1 | 80-4607017 | Кронштейн | |
| 2 | 50-4607078-А | Заказать | Втулка |
| 3 | Кольцо 2Б18 ГОСТ 13940-68 | Кольцо 2Б18 ГОСТ 13940-68 | |
| 4 | Кольцо 2Б32 ГОСТ 13940-68 | Кольцо 2Б32 ГОСТ 13940-68 | |
| 5 | А61.01.014 | Заказать | Рукоятка |
| 6 | 85-4607041 | Рычаг | |
| 7 | 85-4607042 | Рычаг | |
| 8 | 85-4607041-01 | Рычаг | |
| 9 | Штифт 8х30.65Г ГОСТ 14229-66 | Штифт 8х30.65Г ГОСТ 14229-66 | |
| 10 | 80-4607220 | Вал | |
| 11 | 70-4607144 | Шайба | |
| 12 | Шплинт 3,2х18-001 ГОСТ 397-66 | Шплинт 3,2х18-001 ГОСТ 397-66 | |
| 13 | А61-030-А1 | Заказать | Палец |
| 14 | 80-4607087 | Тяга | |
| 15 | 80-4607086 | Заказать | Рычаг |
| 16 | А20-213А | Вилка | |
| 17 | 80-4607087-01 | Тяга | |
| 18 | Гайка М8-6Н.6.019 ГОСТ 5915-70 | Гайка М8-6Н.6.019 ГОСТ 5915-70 | |
| 19 | 80-4607230 | Вал | |
| 20 | 80-4607250 | Заказать | Вал |
| 21 | Болт М12-6gх35.88.35.019 | Болт М12-6gх35.88.35.019 | |
| 22 | Шайба 12ОТ ГОСТ 6402-70 | Шайба 12ОТ ГОСТ 6402-70 | |
| 23 | Болт М10-6gх30.88.35.019 ГОСТ 7796-70 | Болт М10-6gх30.88.35.019 ГОСТ 7796-70 | |
| 24 | Шайба 10ОТ ОСТ 37.001.115-75 | Шайба 10ОТ ОСТ 37.001.115-75 | |
| 25 | 50-4607079-А1 | Заказать | Втулка |
Содержащиеся в справочниках-каталогах запасные части и детали не предлагаются к продаже, а носят исключительно информационный характер