Смоленск
Эль-Монте ваш город?
Да
Выбрать другой город
Написать в
WhatsApp
Написать в
Telegram
Каталог

Каталог запасных частей к технике: МТЗ-80. Корпус гидроагрегатов, фильтр

zoom-in zoom-out enlarge shrink circle-right circle-left file-text2 info cart
1
2
3
4
5
6
7
8
9
10
11
12
12
13
13
13
13
14
14
15
16
17
18
18
19
20
21
22
23
24
25
25
26
27
28
29
30
31
32
33
34
35
36
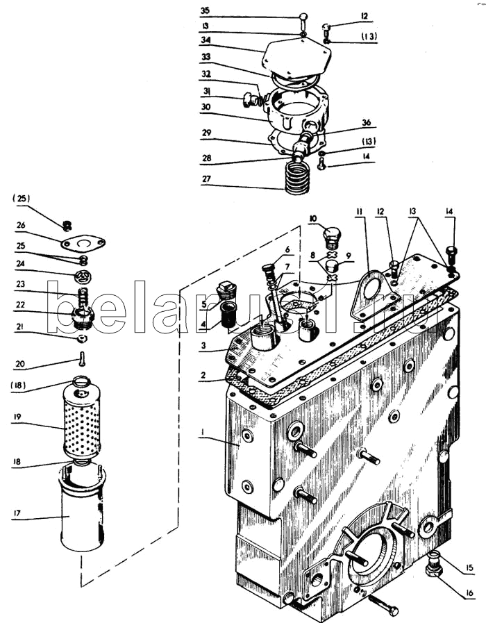
Позиция на иллюстрации Заводской номер детали Название детали
80-4608010-Б 80-4608010-Б Корпус в сборе
1 80-4608016 Корпус гидросистемы
2 80-4608031 Прокладка
3 85-4608025-01 Крышка
4 А61-С06-А3 Заказать Фильтр
5 Пробка КГ 1/4" ОСТ 23.1.117-83 Пробка КГ 1/4" ОСТ 23.1.117-83
6 70-4608065-А Заказать Масломер
7 Кольцо 011-015-25-2-2 ГОСТ 9833-73 Кольцо 011-015-25-2-2 ГОСТ 9833-73
8 50-4608062 Шайба сапуна
9 50-4608063 Заказать Фильтр
10 50-4608059 Пробка сапуна
11 80-4608073 Кронштейн
12 Болт М8-6gх25.88.35.019 ГОСТ 7796-70 Болт М8-6gх25.88.35.019 ГОСТ 7796-70
13 8Т ОСТ 37.001.115-75 Шайба
14 Болт М8-6gх20.88.35.019 ГОСТ 7796-70 Болт М8-6gх20.88.35.019 ГОСТ 7796-70
15 Кольцо 017-022-30-34 ГОСТ 18829-74 Кольцо 017-022-30-34 ГОСТ 18829-74
16 50-4608027-В Пробка
17 А28.04.20.00А Корпус
18 Кольцо 041-050-46-2-2 ГОСТ 9833-73 Кольцо 041-050-46-2-2 ГОСТ 9833-73
19 761-00-00-000 Фильтрующий элемент
20 Винт В1М6-6gх 40.66 ГОСТ 17475-80 Винт В1М6-6gх 40.66 ГОСТ 17475-80
21 8.20.004 Клапан
22 А28.04.10.001 Заказать Корпус
23 8.20.002 Пружина
24 8.20.005 Шайба опорная
25 Гайка М6.6Н ГОСТ 5916-70 Гайка М6.6Н ГОСТ 5916-70
26 А28.04.00.001 Заказать Ограничитель
27 85-4608057 Пружина
28 85-4607034 Штуцер
29 85-4608089 Прокладка
30 85-4608018-01 Стакан
31 85-4608021 Пробка
32 Кольцо 021-025-25-1-4 ГОСТ 9833-73 Кольцо 021-025-25-1-4 ГОСТ 9833-73
33 Кольцо 130-135-30-1-4 ГОСТ 9833-73 Кольцо 130-135-30-1-4 ГОСТ 9833-73
34 85-4608022 Заказать Крышка
35 Болт М8-6gх80.88.35.019 ГОСТ 7796-70 Болт М8-6gх80.88.35.019 ГОСТ 7796-70
36 Кольцо 027-032-30-2-4 ГОСТ 9833-73 Кольцо 027-032-30-2-4 ГОСТ 9833-73
Содержащиеся в справочниках-каталогах запасные части и детали не предлагаются к продаже, а носят исключительно информационный характер