Каталог запасных частей к технике: МТЗ-1221. Вал вторичный
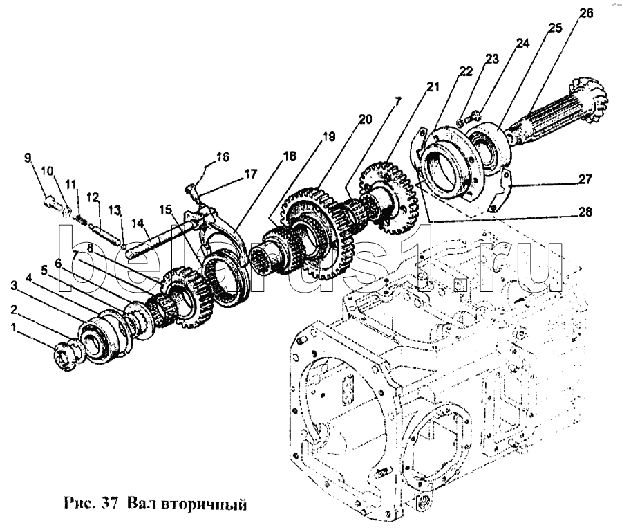
1
2
3
4
5
6
7
7
8
9
10
11
12
13
14
15
16
17
18
19
20
21
22
23
24
25
26
27
28
| Позиция на иллюстрации | Заводской номер детали | Название детали | |
|---|---|---|---|
| 1 | 80-1701045 | Заказать Заказать | Гайка |
| 2 | 80-1701056 | Заказать | Шайба |
| 3 | 7310А | Подшипник | |
| 4 | 80-1701256 | Кольцо | |
| 5 | 80-1701254 | Заказать | Шайба |
| 6 | 80-1701354 | Шайба | |
| 7 | 664714Е | Подшипник | |
| 8 | 112-1701314 | Заказать | Шестерня |
| 9 | М12х25 | Болт | |
| 10 | 85-1702051 | Шайба | |
| 11 | 50-1702148-А | Заказать | Пружина фиксатора |
| 12 | 85-1702048 | Штифт | |
| 13 | В9,922-100 | Шарик | |
| 14 | 85-1702037 | Поводок | |
| 15 | 112-1701316 | Муфта | |
| 16 | 1,6-О-S | Проволока | |
| 17 | 80-1702108 | Заказать | Болт |
| 18 | 85-1702029 | Вилка | |
| 19 | 80-1701348 | Заказать | Втулка |
| 20 | 112-1701312 | Заказать | Шестерня |
| 21 | 80-1701313-В | Шестерня | |
| 22 | 80-1701141-В | Гнездо | |
| 23 | SНР10 | Шайба | |
| 24 | М10х30 | Болт | |
| 25 | 7712м | Подшипник | |
| 26 | 80-1701252-В | Заказать | Вал |
| 27 | 50-1701258 | Заказать | Прокладка регулировочная 0,2 мм |
| 28 | 50-1701259 | Заказать | Прокладка регулировочная 0,5 мм |
Содержащиеся в справочниках-каталогах запасные части и детали не предлагаются к продаже, а носят исключительно информационный характер