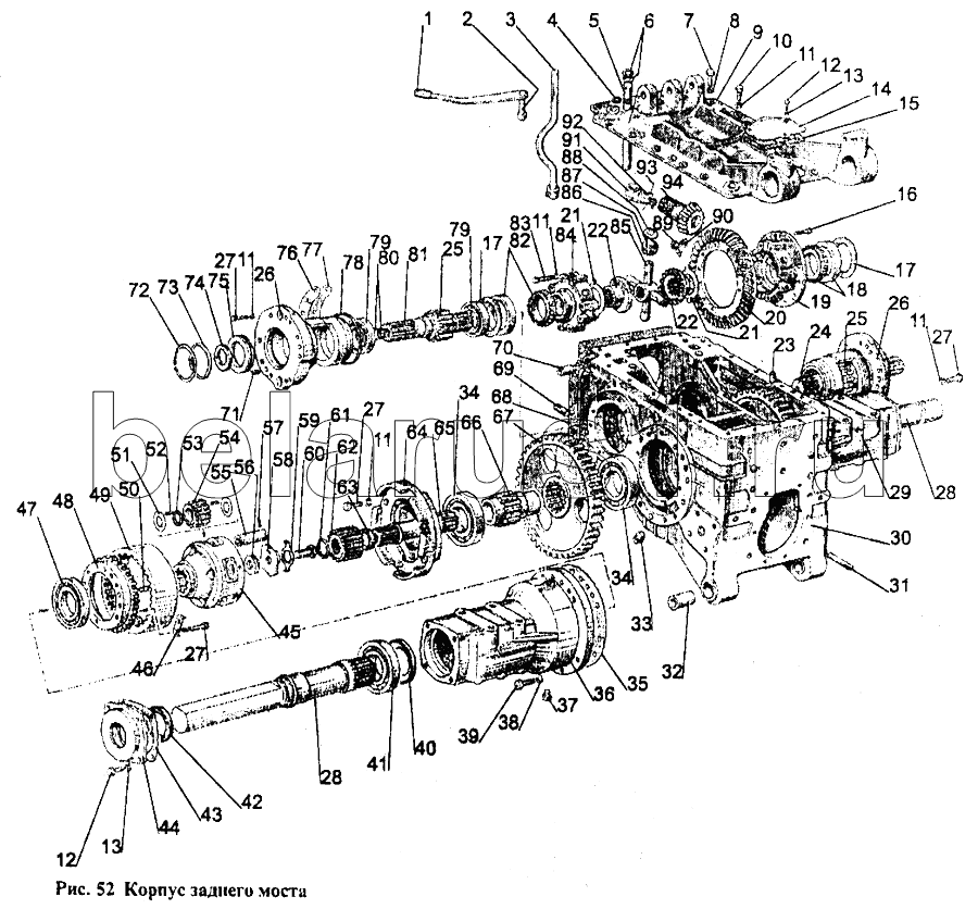
Каталог запасных частей к технике: МТЗ-1221. Корпус заднего моста
1
2
3
4
5
6
7
8
9
10
11
11
11
11
11
12
12
13
13
14
15
16
17
17
18
19
20
21
21
22
22
23
24
25
25
26
26
27
27
27
27
28
28
29
30
31
32
33
34
34
35
36
37
38
39
40
41
42
43
44
45
46
47
48
49
50
51
52
53
54
55
56
57
58
59
60
61
62
63
64
65
66
67
68
69
70
71
72
73
74
75
76
77
78
79
79
80
81
82
83
84
85
86
87
88
89
90
91
92
93
94
| Позиция на иллюстрации | Заводской номер детали | Название детали | |
|---|---|---|---|
| 50-2401040 | 50-2401040 | Валик управления в сборе | |
| 1220-2407540 | 1220-2407540 | Шестерня ведущая в сборе | |
| 1221-2407130 | 1221-2407130 | Стакан с подшипником в сборе | |
| 1220-2407060-01 | 1220-2407060-01 | Стакан правый в сборе | |
| 1220-2407060 | 1220-2407060 | Стакан левый в сборе | |
| 1220-2403055 | 1220-2403055 | Сателлит со втулкой в сборе | |
| 1221-2401015 | 1221-2401015 | Корпус заднего моста в сборе | |
| 1220-2403015 | 1220-2403015 | Корпус дифференциала в сборе | |
| 1220-2407500-01 | 1220-2407500-01 | Конечная передача правая в сборе | |
| 1220-2407500 | 1220-2407500 | Конечная передача левая в сборе | |
| 85-2403014 | 85-2403014 | Комплект шестерен главной передачи (80-1701252-В, 50-2403021-В) | |
| 1221-2401010 | 1221-2401010 | Задний мост в сборе | |
| 1220-2403010-01 | 1220-2403010-01 | Дифференциал в сборе | |
| 1521-2407535 | 1521-2407535 | Водило в сборе | |
| 1 | 36-1310139 | Шарик | |
| 2 | 85-2401080 | Рычаг | |
| 3 | 85-2401050 | Заказать | Стойка |
| 4 | 020-025-30-1-4 | Кольцо | |
| 5 | 50-2401019-В | Валик | |
| 6 | 50-2401031 | Шайба | |
| 7 | М20х60 | Болт | |
| 8 | SНР20 | Шайба | |
| 9 | 85-2401024 | Крышка | |
| 10 | М12х40 | Болт | |
| 11 | SНР12 | Шайба | |
| 12 | М10х25 | Болт | |
| 13 | SНР10 | Шайба | |
| 14 | 85-2401026 | Крышка | |
| 15 | 85-4616031 | Прокладка | |
| 16 | 50-1702092 | Заказать | Болт призонный М12х42 |
| 17 | 1221-2407043 | Кольцо | |
| 18 | 7516А | Подшипник | |
| 19 | 1221-2403018 | Корпус | |
| 20 | 50-2403021-В | Шестерня ведомая | |
| 21 | 1221-2403049 | Шайба опорная | |
| 22 | 1220-2403048 | Шестерня полуосевая | |
| 23 | D01-015 | Штифт | |
| 24 | 1221-2407053-01 | Заказать | Вал |
| 25 | 1221-2407052 | Шестерня | |
| 26 | 1221-2407042 | Заказать | Стакан подшипника |
| 27 | М12х35 | Болт | |
| 28 | 1221-2047082 | Полуось | |
| 29 | 1221-2407018-01 | Рукав полуоси правый | |
| 30 | 1221-2401015 | Корпус заднего моста в сборе | |
| 31 | 50-2401028 | Шпилька | |
| 32 | 80-2401032 | Заказать | Втулка |
| 33 | РSМ1,1/4" | Пробка магнитная | |
| 34 | 217К5 | Подшипник | |
| 35 | 1221-2407552 | Прокладка | |
| 36 | 1221-2407018 | Рукав полуоси левый | |
| 37 | КG1/8" | Пробка | |
| 38 | SНР16 | Шайба | |
| 39 | М16х60 | Болт | |
| 40 | 142-2407091 | Заказать | Кольцо |
| 41 | 7218А | Подшипник | |
| 42 | 2.2-90х120-1 | Манжета | |
| 43 | 142-2407029 | Прокладка | |
| 44 | 142-2407028 | Крышка | |
| 45 | 1221-2407536-В | Водило | |
| 46 | 1221-2407503 | Пластина | |
| 47 | 7217А | Подшипник | |
| 48 | 1221-2407502 | Ступица эпицикла | |
| 49 | 5336-2405050-А | Заказать Заказать | Шестерня ведомая |
| 50 | 1221-2407508 | Штифт | |
| 51 | 1221-2407538 | Заказать | Шайба сателлита |
| 52 | 5х27,8А3 | Ролик | |
| 53 | 1221-2407539 | Заказать | Шайба распорная |
| 54 | 5336-2405035 | Сателлит | |
| 55 | 1221-2407556 | Валик | |
| 56 | 1221-2407506 | Прокладка | |
| 57 | 8х45 | Штифт | |
| 58 | 1221-2407537 | Заказать | Шайба |
| 59 | 1221-2407507 | Заказать | Шайба |
| 60 | 70-4605036 | Заказать | Болт |
| 61 | 2V55 | Кольцо | |
| 62 | 5336-2405028 | Шестерня ведущая | |
| 63 | 1221-2407542 | Заказать | Втулка |
| 64 | 1221-2407131 | Стакан | |
| 65 | 1221-2407541 | Заказать | Вал |
| 66 | 1221-2407123 | Заказать | Втулка |
| 67 | 1221-2407122 | Шестерня ведомая | |
| 68 | 50-2401016 | Прокладка | |
| 69 | 50-4605027 | Заказать | Штифт |
| 70 | 36-3502037 | Втулка | |
| 71 | 50-1601352 | Заказать | Штифт |
| 72 | V125 | Кольцо | |
| 73 | 115-120-30-1-4 | Кольцо | |
| 74 | 2.2-52х75-1 | Манжета | |
| 75 | 1221-2407081 | Обойма | |
| 76 | 1221-2407056 | Прокладка (0,5 mm) | |
| 77 | 1221-2407057 | Прокладка (0,2 mm) | |
| 78 | 205-210-36-1-4 | Заказать | Кольцо |
| 79 | 42311 | Заказать Заказать | Подшипник |
| 80 | 035-040-30-1-4 | Кольцо | |
| 81 | 70-2407053 | Заказать Заказать Заказать | Шестерня ведущая (левая) |
| 82 | 7216А | Подшипник | |
| 83 | 50-2403034-А | Болт | |
| 84 | 1220-2403019 | Крышка | |
| 85 | 1220-2403062 | Крестовина | |
| 86 | 1220-2403057 | Сателлит | |
| 87 | 1220-2403056 | Втулка | |
| 88 | 1220-2403025 | Шайба опорная | |
| 89 | М12 | Гайка | |
| 90 | 50-2403023 | Пластина стопорная | |
| 91 | 50-2401020 | Заказать | Поводок |
| 92 | 36-1702110 | Заказать | Винт установочный |
| 93 | 1,6х200 | Проволока | |
| 94 | 80-1701252-В | Заказать | Вал |
Содержащиеся в справочниках-каталогах запасные части и детали не предлагаются к продаже, а носят исключительно информационный характер