Смоленск
Эль-Монте ваш город?
Да
Выбрать другой город
Написать в
WhatsApp
Написать в
Telegram
Каталог

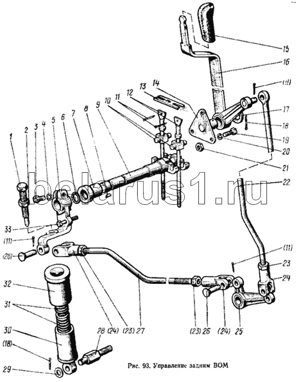
Каталог запасных частей к технике: МТЗ-100. Управление задним ВОМ

zoom-in zoom-out enlarge shrink circle-right circle-left file-text2 info cart
1
2
3
4
5
6
7
8
9
10
11
11
11
11
12
13
14
15
16
17
18
18
19
20
21
22
23
23
23
24
24
24
25
26
26
27
28
29
30
31
32
33
Позиция на иллюстрации Заводской номер детали Название детали
50-4216070-Б 50-4216070-Б Заказать Валик управления с осью в сборе
85-4216085 85-4216085 Тяга 80-4216043 с гайкой и вилкой в сборе
80-4216060 80-4216060 Заказать Тяга 80-4216043 в сборе
1 70-4216023 Болт
2 М16 Гайка
3 М12х35 Болт
4 ШП12 Шайба
5 50-4216022-А Заказать Рычаг
6 025-030-30-1-4 Кольцо
7 50-4216024 Втулка
8 6х11 Шпонка сегментная
9 50-4216018 Заказать Валик
10 50-4216034 Заказать Ось
11 3,2х18 Шплинт
12 80-4216028 Винт
13 80-4216039 Заказать Стопор
14 80-4216105 Заказать Кронштейн
15 А13.17.000 Заказать Рукоятка
16 85-4216100 Рычаг
17 50-3406037 Шайба упорная
18 4х36 Шплинт
19 М8х16 Болт
20 ШП8 Шайба
21 М8 Гайка
22 85-4216081 Тяга
23 М12х1,25 Гайка
24 50-3502203 Заказать Вилка
25 80-4216050 Заказать Рычаг 80-4216057со втулкой в сборе
26 12х32 Палец
27 80-4216043 Тяга
28 70-4216048 Заказать Болт
29 ШЧ16 Шайба
30 80-4216045 Стакан внутренний
31 50-1602032 Заказать Пружина
32 80-4216055 Стакан наружный
33 4М10х60 Болт (технологический)
Содержащиеся в справочниках-каталогах запасные части и детали не предлагаются к продаже, а носят исключительно информационный характер