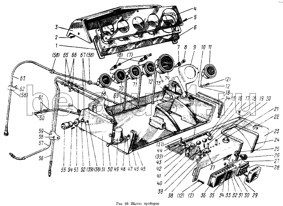
Каталог запасных частей к технике: МТЗ-100. Щиток приборов
1
2
2
2
3
4
5
6
7
7
8
8
9
10
11
12
12
13
14
15
16
17
18
19
20
21
22
23
24
25
26
27
28
29
30
31
32
33
34
35
36
37
37
38
38
39
39
39
40
41
42
43
44
45
46
47
48
49
50
51
52
53
54
55
56
57
58
58
58
58
59
60
61
62
63
64
65
66
67
68
69
70
71
72
73
74
| Позиция на иллюстрации | Заводской номер детали | Название детали | |
|---|---|---|---|
| Предохранитель 5А | Предохранитель 5А | Предохранитель 5А | |
| 85-3801030 | 85-3801030 | Щиток | |
| 85-3801005 | 85-3801005 | Щиток приборов | |
| 85-3801010 | 85-3801010 | Щиток приборов | |
| 85-3801020 | 85-3801020 | Щиток с приборами | |
| 1 | 70-3801022 | Прокладка | |
| 2 | М6х12 | Винт | |
| 3 | 80-3801025 | Кожух | |
| 4 | 70-3801012 | Рассеиватель | |
| 5 | М6х18 | Винт | |
| 6 | 70-3801050 | Основание щитка | |
| 7 | ПП158 | Патрон | |
| 8 | А12-1 | Лампа | |
| 9 | 85-3801038 | Кронштейн | |
| 10 | 85-3801090 | Труба манометра | |
| 11 | МД225 | Указатель давления масла | |
| 12 | ШП6 | Шайба | |
| 13 | М6 | Гайка | |
| 14 | 70-3801175 | Уплотнитель | |
| 15 | 70-3801018 | Козырек | |
| 16 | 121 3803 | Сигнализатор включения поворотов | |
| 17 | 122 3803 | Сигнализатор включения дальнего света | |
| 18 | М6х12 | Винт | |
| 19 | 5102.3709 | Заказать | Переключатель указателей поворота |
| 20 | 5112.3709 | Переключатель ближний свет—дальний свет | |
| 21 | 8600.103 | Включатель стеклоомывателя | |
| 22 | ВК317-А2 | Заказать | Включатель стартера |
| 23 | 85Л-3801060 | Щиток | |
| 24 | 70-3801216 | Окантовка проема | |
| 25 | М12х1,25 | Гайка | |
| 26 | 70-3709012-А | Ручка переключателя | |
| 27 | П305 | Заказать Заказать | Переключатель |
| 28 | Предохранитель 15А | Предохранитель 15А | |
| 29 | М5х12 | Болт | |
| 30 | ПР11-С | Блок предохранителей | |
| 31 | 70-3722025 | Панель предохранителей | |
| 32 | ПР11-Р | Блок предохранителей | |
| 33 | ШП5 | Шайба | |
| 34 | М5 | Гайка | |
| 35 | В50-3724024 | Провод | |
| 36 | ПР11-П | Блок предохранителей | |
| 37 | М4х8 | Винт | |
| 38 | М4 | Гайка | |
| 39 | ШП4 | Шайба | |
| 40 | ВК322 | Заказать | Включатель |
| 41 | 12.3803 | Сигнализатор аварийной температуры воды | |
| 42 | 12.3803 | Сигнализатор аварийной температуры воды | |
| 43 | 12.3803 | Сигнализатор аварийной температуры воды | |
| 44 | ШЧ4 | Шайба | |
| 45 | 70-3801174 | Уплотнитель | |
| 46 | Гайка | Гайка | |
| 47 | ШП8 | Шайба | |
| 48 | ШЧ8 | Шайба | |
| 49 | РС410М | Заказать | Прерыватель указателей поворота |
| 50 | М8х20 | Болт | |
| 51 | 85-3801040 | Основание | |
| 52 | 85-3801410 | Трубопровод | |
| 53 | 70-3801403 | Штуцер | |
| 54 | М8х10 | Винт | |
| 55 | ОР-9928-01ГОСНИТИ | Сигнализатор засоренности воздухоочистителя | |
| 56 | 85-3801100 | Труба манометра | |
| 57 | 85-3801080 | Труба манометра | |
| 58 | 70-3801029 | Зажим | |
| 59 | 85-3801034 | Кронштейн | |
| 60 | 36-1104787 | Заказать | Болт |
| 61 | 36-1104788 | Прокладка | |
| 62 | 80-3801092 | Кронштейн | |
| 63 | ГВН300-02 | Вал гибкий | |
| 64 | 70-3723042-01 | Втулка | |
| 65 | М12х1,25 | Гайка | |
| 66 | ШП12 | Шайба | |
| 67 | 70-3801180 | Заказать Заказать Заказать Заказать | Шланг |
| 68 | УК133В | Приемник указателя температуры воды | |
| 69 | 70-3723042-02 | Втулка | |
| 70 | АП110 | Указатель тока | |
| 71 | МД226 | Указатель давления воздуха | |
| 72 | МД219 | Указатель давления масла | |
| 73 | 50-2401071 | Пробка | |
| 74 | 26.3813 | Тахоспидометр |
Содержащиеся в справочниках-каталогах запасные части и детали не предлагаются к продаже, а носят исключительно информационный характер