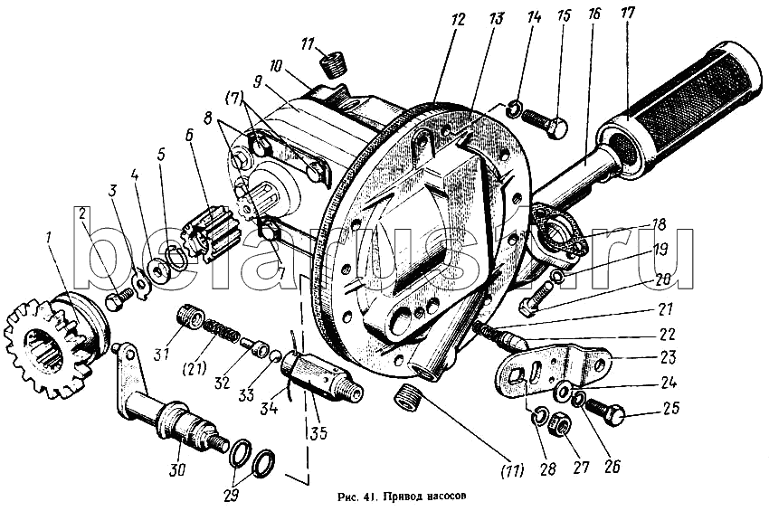
Каталог запасных частей к технике: МТЗ-100. Привод насосов
1
2
3
4
5
6
7
7
8
9
10
11
11
12
13
14
15
16
17
18
19
20
21
21
22
23
24
25
26
27
28
29
30
31
32
33
34
35
| Позиция на иллюстрации | Заводской номер детали | Название детали | |
|---|---|---|---|
| 80-1704040 | 80-1704040 | Заказать | Клапан в сборе |
| 80-1704010 | 80-1704010 | Привод насосов в сборе | |
| 1 | 80-1704094 | Шестерня | |
| 2 | М8х20 | Болт | |
| 3 | 80-1704034 | Шайба | |
| 4 | 80-1704073 | Шайба | |
| 5 | 80-1704072 | Кольцо | |
| 6 | 80-1704014 | Втулка | |
| 7 | М12х75 | Болт | |
| 8 | 80-1704092 | Пластина | |
| 9 | НМШ25-00-00 | Насос шестеренный | |
| 10 | 80-1704093 | Прокладка | |
| 11 | 1-МК-16 | Пробка | |
| 12 | 80-1704016 | Прокладка | |
| 13 | 80-1704015 | Корпус | |
| 14 | ШП10 | Шайба | |
| 15 | М10х30 | Болт | |
| 16 | 80-1704030 | Маслопровод | |
| 17 | 80-1704050 | Фильтр | |
| 18 | 80-1704033 | Прокладка | |
| 19 | ШП8 | Шайба | |
| 20 | М8х30 | Болт | |
| 21 | 50-1702148-А | Заказать | Пружина фиксатора |
| 22 | 80-1704037 | Фиксатор | |
| 23 | 80-1704018 | Пластина | |
| 24 | ШЧ10 | Шайба | |
| 25 | М10х20 | Болт | |
| 26 | ШП10 | Шайба | |
| 27 | М12х1,25 | Гайка | |
| 28 | ШП12 | Шайба | |
| 29 | 020-025-30-1-6 | Кольцо | |
| 30 | 80-1704020 | Валик | |
| 31 | 80-1704038 | Пробка | |
| 32 | 80-1704039 | Заказать | Направляющая |
| 33 | 9,992 | Шарик | |
| 34 | 0,1х60 | Проволока | |
| 35 | 80-1704041 | Корпус |
Содержащиеся в справочниках-каталогах запасные части и детали не предлагаются к продаже, а носят исключительно информационный характер