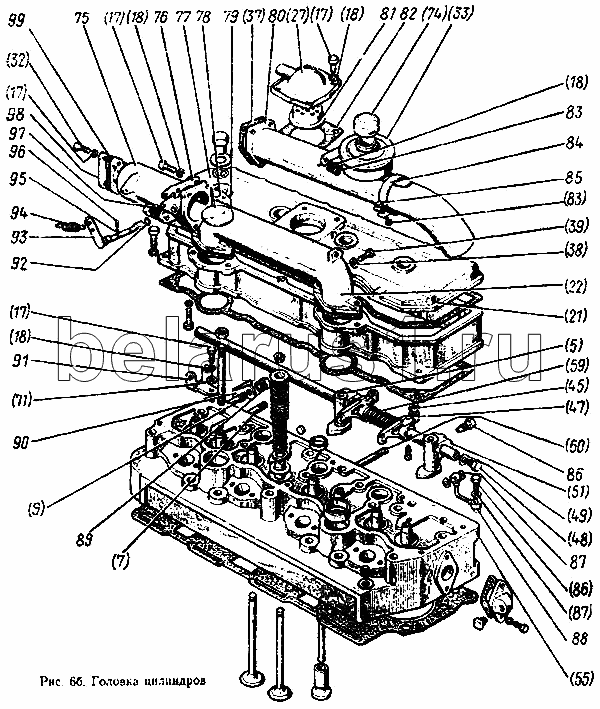
Каталог запасных частей к технике: МТЗ-100. Головка цилиндров
75
76
77
78
79
80
81
82
83
83
84
85
86
86
87
87
88
89
90
91
92
93
94
95
96
97
98
99
| Позиция на иллюстрации | Заводской номер детали | Название детали | |
|---|---|---|---|
| 75 | 240-1003222-Б-01 | Патрубок | |
| 76 | 70-4803021 | Кронштейн | |
| 77 | 240-1003221 | Заслонка | |
| 78 | 240-1003229-01 | Заглушка | |
| 79 | 240-3509157 | Прокладка | |
| 80 | 240-1003260 | Заказать | Труба |
| 81 | 240-1002440 | Заказать | Фильтр |
| 82 | 240-1002444-А | Прокладка | |
| 83 | М8 | Гайка | |
| 84 | ХС-61.019 | Хомут | |
| 85 | М8х30 | Болт | |
| 86 | 240-1007202 | Штуцер | |
| 87 | 240-1007209 | Прокладка | |
| 88 | 240-1007200-А | Трубка | |
| 89 | ШП12 | Шайба | |
| 90 | 70-3407164 | Заказать | Кронштейн |
| 91 | 70-1302042-Б | Кронштейн | |
| 92 | 009-013-25-2-1 | Кольцо | |
| 93 | 240-1003240-А | Валик заслонки | |
| 94 | 240-1003226 | Пружина | |
| 95 | ШП4 | Шайба | |
| 96 | М4-6gх10 | Винт | |
| 97 | 240-1003227 | Штифт | |
| 98 | 240-1003034 | Крышка | |
| 99 | 240-3507115-А | Прокладка |
Содержащиеся в справочниках-каталогах запасные части и детали не предлагаются к продаже, а носят исключительно информационный характер