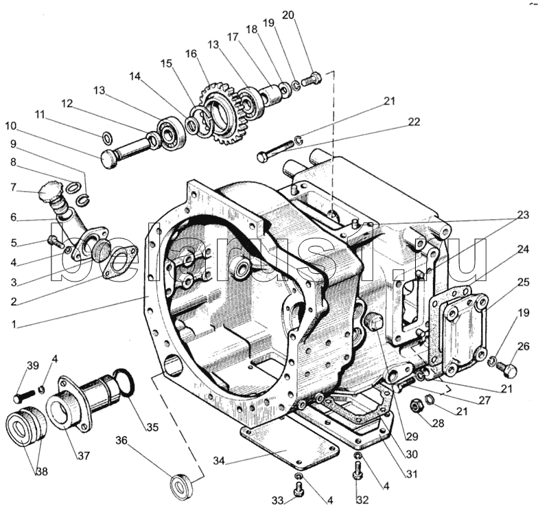
Каталог запасных частей к технике: МТЗ-1005. Корпус сцепления
1
2
3
4
4
4
4
5
6
7
8
9
10
11
12
13
13
14
15
16
16
17
18
19
19
20
21
21
21
22
23
24
25
26
27
28
29
30
31
32
33
34
35
36
37
38
39
| Позиция на иллюстрации | Заводской номер детали | Название детали | |
|---|---|---|---|
| 240-1002115 | 240-1002115 | Заказать Заказать | Горловина с кольцом пружинным и патрубком в сборе |
| 1 | 80-1601015 | Заказать | Корпус |
| 2 | 240-1002082-А | Прокладка | |
| 3 | 240-1002085 | Заказать | Сетка |
| 4 | ШП8 | Шайба | |
| 5 | М8х20 | Болт | |
| 6 | 240-1002088-В | Заказать | Патрубок |
| 7 | А19.01.001 | Заказать Заказать | Пробка |
| 8 | 042-048-30-2-1 | Кольцо | |
| 9 | А19.01.003 | Кольцо | |
| 10 | 80-1601335 | Ось | |
| 11 | 020-025-30-1-6 | Кольцо | |
| 12 | 80-1601337 | Шайба | |
| 13 | 305А | Подшипник | |
| 14 | 70-1601337 | Кольцо | |
| 15 | 2В62 | Кольцо | |
| 16 | 70-1601331 | Заказать Заказать | Шестерня промежуточная |
| 16 | 70-1601330 | Шестерня 70-1601331 с кольцами в сборе | |
| 17 | 80-1601336 | Заказать | Втулка |
| 18 | 80-1601334 | Шайба | |
| 19 | ШП12 | Шайба | |
| 20 | М12х35 | Болт | |
| 21 | ШП20 | Шайба | |
| 22 | 70-4605036-03 | Заказать | Болт |
| 23 | 10Пр22ах25Ц6 | Штифт | |
| 24 | 80-1601343 | Прокладка | |
| 25 | 80-1601342 | Заказать | Крышка |
| 26 | М12х30 | Болт | |
| 27 | 70-4605036 | Заказать | Болт |
| 28 | М20 | Гайка | |
| 29 | 70-1701301 | Пробка | |
| 30 | 80-1601314 | Прокладка | |
| 31 | 80-1601313 | Крышка | |
| 32 | М8х25 | Болт | |
| 33 | М8х16 | Болт | |
| 34 | 50-1601341 | Заказать | Крышка сцепления |
| 35 | 044-048-25-1-4 | Кольцо | |
| 36 | 80-1601024-В1 | Заглушка | |
| 37 | 86-1802020 | Обойма | |
| 38 | Р-2-38х58 | Манжета | |
| 39 | М8х35 | Болт |
Содержащиеся в справочниках-каталогах запасные части и детали не предлагаются к продаже, а носят исключительно информационный характер