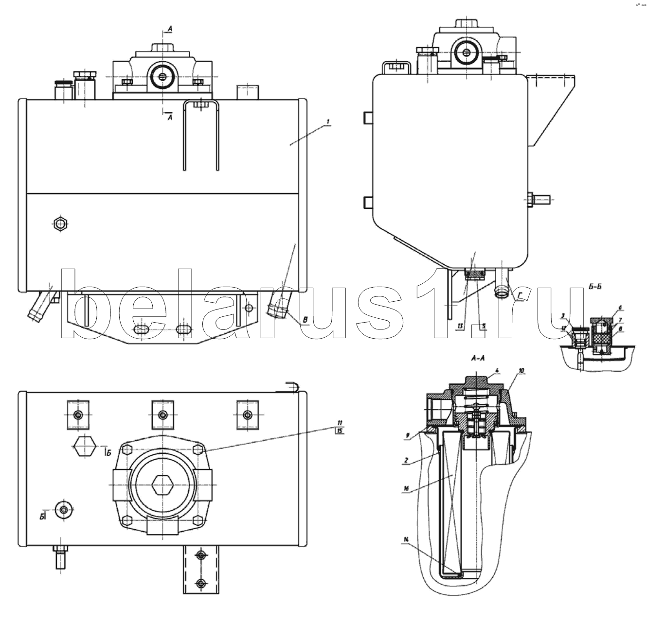
Каталог запасных частей к технике: МТЗ 622. Бак
1
2
3
4
5
6
7
8
9
10
11
12
13
14
15
16
| Позиция на иллюстрации | Заводской номер детали | Название детали | |
|---|---|---|---|
| 422-4608110 | 422-4608110 | Бак | |
| 1 | 422-4608115 | Бак | |
| 2 | 422-4608160 | Корпус фильтра | |
| 3 | 082-4608130 | Масломер | |
| 4 | 822-4608030 | Пробка (12-21) | |
| 5 | 50-4608027-В | Пробка | |
| 6 | 50-4608059 | Пробка сапуна | |
| 7 | 50-4608062 | Шайба сапуна | |
| 8 | 50-4608063 | Заказать | Фильтр |
| 9 | 822-4608112 | Прокладка | |
| 10 | 2522-4608211 | Крышка | |
| 11 | М8-6gx25.88.35.019 | Болт | |
| 12 | 011-015-25-2-4 | Заказать | Кольцо |
| 13 | 017-022-30-1-4 | Кольцо | |
| 14 | 042-050-46-2-4 | Кольцо | |
| 15 | 8Т | Шайба | |
| 16 | 4600.30 | Элемент фильтрующий |
Содержащиеся в справочниках-каталогах запасные части и детали не предлагаются к продаже, а носят исключительно информационный характер