Каталог запасных частей к технике: МТЗ 1025/1025.2/1025.3. Стартер
1
2
2
2
2
2
2
2
2
3
3
4
5
5
5
5
5
6
6
6
6
7
7
7
7
7
8
8
8
8
8
8
9
10
10
10
10
11
12
12
13
13
13
13
13
13
13
13
13
13
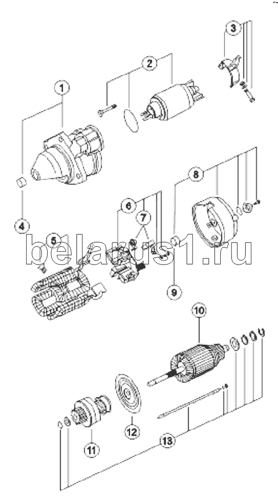
| Позиция на иллюстрации | Заводской номер детали | Название детали | |
|---|---|---|---|
| 1 | 16.281.793 | Крышка передняя | |
| 2 | 16.300.126 | Винт М5х55 | |
| 2 | 707.002.275 | Кольцо | |
| 2 | 15.200.058 | Пружина | |
| 2 | 16.150.007 | Сердечник | |
| 2 | 16.670.263 | Заказать | Реле |
| 2 | 16.670.262 | Заказать | Реле |
| 2 | 16.670.155-01 | Реле в сборе | |
| 2 | 16.670.154-01 | Реле в сборе | |
| 3 | 16.901.700 | Рычаг | |
| 3 | 15.300.191 | Болт специальный | |
| 4 | 15.120.243 | Заказать | Втулка подшипника |
| 5 | Обмотка | Обмотка | |
| 5 | 16.500.664 | Обмотка | |
| 5 | 16.500.773 | Обмотка | |
| 5 | 15.300.191 | Болт специальный | |
| 5 | 15.300.166 | Винт | |
| 6 | 16.901.626 | Щеткодержатель | |
| 6 | 16.901.954 | Щеткодержатель | |
| 6 | 16.903.773 | Щеткодержатель | |
| 6 | 16.903.908 | Щеткодержатель | |
| 7 | 15.200.243 | Пружина | |
| 7 | 16.770.121 | Щетка | |
| 7 | 16.770.378 | Щетка | |
| 7 | 16.770.119 | Щетка | |
| 7 | 16.770.083 | Щетка | |
| 8 | 15.300.710 | Винт М5х10 | |
| 8 | 15.400.056 | Кольцо уплотнительное | |
| 8 | 15.900.140 | Крышка | |
| 8 | 15.400.249 | Вставка | |
| 8 | 15.120.155 | Заказать | Втулка подшипника |
| 8 | 16.283.449 | Задняя крышка | |
| 9 | 15.120.155 | Заказать | Втулка подшипника |
| 10 | 16.360.402 | Ротор | |
| 10 | Ротор | Ротор | |
| 10 | 16.361.499 | Ротор | |
| 10 | 16.361.820 | Ротор | |
| 11 | 16.903.550 | Заказать | Бендикс |
| 12 | 16.281.299 | Крышка средняя | |
| 12 | 15.120.154 | Втулка | |
| 13 | 15.300.028 | Шайба регулировочная | |
| 13 | 15.300.027 | Шайба регулировочная | |
| 13 | 15.401.009 | Шайба изоляционная | |
| 13 | ГайкаM6 | Г айка M6 | |
| 13 | ШайбаD6 | Шайба | |
| 13 | 15.300.594 | Шпилька | |
| 13 | 15.300.057 | Шпилька М6х213 | |
| 13 | 15.300.042 | Кольцо | |
| 13 | 15.200.007 | Кольцо пружинное | |
| 13 | 15.900.204 | Шайба стопорная |
Содержащиеся в справочниках-каталогах запасные части и детали не предлагаются к продаже, а носят исключительно информационный характер