Каталог запасных частей к технике: MacDon-M100. TANKS (FUEL + HYDRAULIC)
1
2
3
4
5
6
7
7
8
9
10
11
12
13
14
15
16
17
18
18
19
20
21
22
23
24
25
26
27
27
27
28
29
30
30
30
31
32
A
B
B
C
C
D
E
F
G
G
G
H
J
K
L
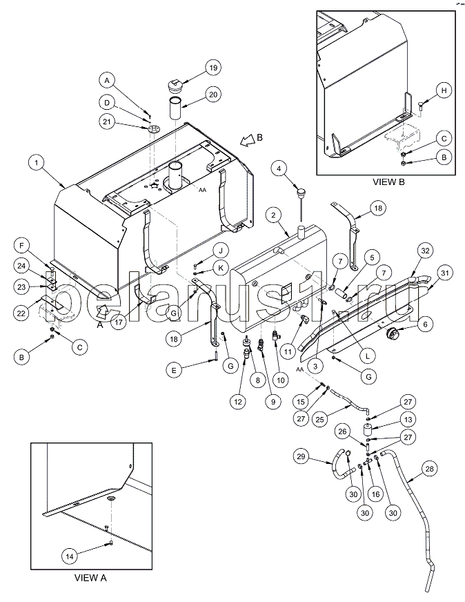
| Позиция на иллюстрации | Заводской номер детали | Название детали | |
|---|---|---|---|
| 1 | 110246 | TANK-FUEL WELDT | |
| 2 | 163690 | TANK-HYDRAULIC C/W DECALS (M100) | |
| 3 | 110444 | SWITCH - HYDRAULIC OIL TEMP | |
| 4 | 21822 | GAUGE-OIL FILLER/DIPSTICK | |
| 5 | 110447 | HOSE-VENT | |
| 6 | 20579 | CLEANER – VENT | |
| 7 | 30670 | CLAMP – HOSE | |
| 8 | 163969 | VALVE – CHECK | |
| 9 | 50019 | FITTING - TEE HYD STR THD RUN TEE CW O-RING | |
| 10 | 21843 | FITTING - ELBOW 90° HYD | |
| 11 | 21801 | FITTING - ELBOW 90° HYD | |
| 12 | 135584 | FITTING - ADAPTER 10IN HOSE 075" NPT | |
| 13 | 111608 | FILTER-FUEL STRAINER | |
| 14 | 6007 | Заказать | PLUG - SQ HEAD PIPE |
| 15 | 21992 | FITTING - BARBED 1/8 NPT X 3/8 ID HOSE | |
| 16 | 134055 | FITTING-TEE (5/8X5/8X3/8") | |
| 17 | 110135 | PAD-RUBBER | |
| 18 | 110136 | STRAP-HYD TANK | |
| 19 | 110248 | CAP - FUEL TANK | |
| 20 | 163989 | FILTER-FUEL FILLER | |
| 21 | 112142 | SENDER-FUEL LEVEL CW GASKET LESS MTG HDWE | |
| 22 | 112095 | PAD-RUBBER | |
| 23 | 112153 | PAD-RUBBER | |
| 24 | 112154 | PLATE | |
| 25 | 163639 | HOSE-FUEL (3/8") | |
| 26 | 163640 | HOSE-FUEL (3/8") | |
| 27 | 30500 | CLAMP-HOSE GEAR TYPE | |
| 28 | 110964 | HOSE-TANK BREATHERS | |
| 29 | 24936 | HOSE | |
| 30 | 21053 | CLAMP-GEAR TYPE | |
| 31 | 163686 | ANGLE-AIR BAFFLE (M100) | |
| 32 | 110807 | SEAL-AIR DAM | |
| A | 18577 | SCREW-MACH PHILIPS PAN HD# 10 NC X 3/4 | |
| B | 18591 | NUT - HEX 1/2 - 13 UNC GR 5 ZP | |
| C | 21383 | NUT - FLANGE 500-13UNC (SERR FACE) | |
| D | 18634 | WASHER - REG LOCK #10 NOM ID ZP | |
| E | 21262 | BOLT - HEX HD 3/8 NC X 25 TFL GR 5 ZP | |
| F | 30027 | BOLT - RHSN 1/2 NC X 225 LG GR 5 ZP | |
| G | 30228 | Гайка | |
| H | 30515 | BOLT - RHSN 1/2 NC X 175 LG GR 5 ZP | |
| J | 20077 | BOLT - HEX HD 3/8 NC X 10 LG GR 5 ZP | |
| K | 30655 | WASHER - HARDENED | |
| L | 21863 | BOLT-RHSSN 3/8 NC X 075 LG GR 5 ZP |
Содержащиеся в справочниках-каталогах запасные части и детали не предлагаются к продаже, а носят исключительно информационный характер