Каталог запасных частей к технике: ХТЗ Т-150. Сиденья
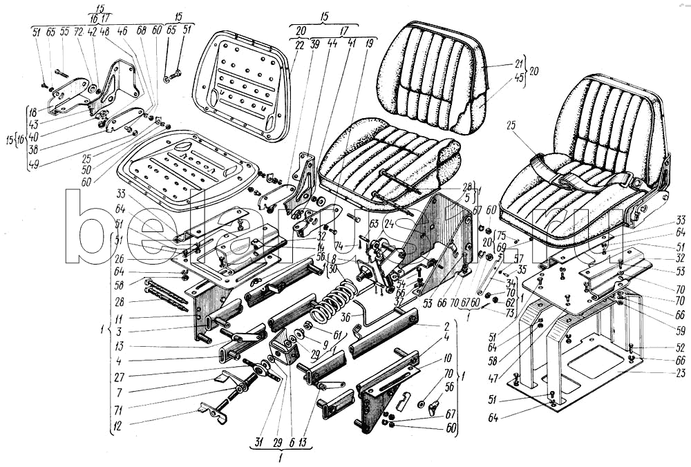
| Позиция на иллюстрации | Заводской номер детали | Название детали | |
|---|---|---|---|
| 150.44.078-13 | 150.44.078-13 | Сиденье пассажира | |
| А31.00.000-1-03 | А31.00.000-1-03 | Сиденье подрессоренное унифицированное | |
| 1 | А31.00.100-Б-01 | Четырехзвенник | |
| 2 | А31.00.120-01 | Звено левое | |
| 3 | А31.00.125 | Звено правое | |
| 4 | А31.00.130 | Звено нижнее в сборе | |
| 5 | А31.00.135-01 | Кронштейн | |
| 6 | А31.00.140-01 | Вилка | |
| 7 | А31.00.145 | Втулка | |
| 8 | А31.00.150 | Шайба задняя в сборе | |
| 9 | А31.00.155 | Кольцо в сборе | |
| 10 | 431.00.160-01 | Опора левая | |
| 11 | А31.00.165-01 | Опора правая | |
| 12 | А31.00.175 | Винт | |
| 13 | А31.00.180 | Звено | |
| 14 | А31.00.500 | Скоба в сборе | |
| 15 | 70-6800010-04 | Сиденье | |
| 15 | 70-6800010-04 | Сиденье | |
| 16 | 70-6800015-01 | Замок | |
| 17 | 70-6800020-01 | Замок | |
| 18 | 70-6800030-01 | Кронштейн | |
| 19 | 70-6800040-01 | Кронштейн | |
| 20 | 70-6803010 | Заказать | Подушка |
| 21 | 70-6803020 | Чехол | |
| 22 | 70-6803060 | Основание | |
| 23 | 150.44.080-2 | Каркас сиденья | |
| 24 | АС20-075.00.000 | Заказать | Амортизатор |
| 25 | РБТ21.00.00 | Ремень безопасности поясной | |
| 25 | РБТ21.00.00 | Ремень безопасности поясной | |
| 26 | А31.00.001-01 | Постель | |
| 27 | А31.00.101 | Ось фигурная | |
| 28 | А31.00.102 | Ось кронштейна | |
| 29 | А31.00.109-01 | Упор | |
| 30 | А31.00.110 | Пружина | |
| 31 | А31.00.112 | Шайба | |
| 32 | А31.00.202-02 | Кронштейн | |
| 32 | А31.00.202-02 | Кронштейн | |
| 33 | А31.00.203-02 | Кронштейн | |
| 33 | А31.00.203-02 | Кронштейн | |
| 34 | А31.00.551 | Крючок | |
| 35 | А31.00.554 | Ручка | |
| 36 | А31.00.603 | Ограждение | |
| 37 | А31.00.604 | Плайка | |
| 38 | 70-6800011 | Корпус | |
| 39 | 70-6800011-01 | Корпус | |
| 40 | 70-6800012 | Защелка | |
| 41 | 70-6600012-01 | Защелка | |
| 42 | 70-6800013 | Втулка | |
| 42 | 70-6800013 | Втулка | |
| 43 | 70-6800014 | Кронштейн | |
| 44 | 70-6800021 | Кронштейн | |
| 45 | 70-6803011 | Подушка | |
| 46 | 70-6804017 | Палец | |
| 46 | 70-6804017 | Палец | |
| 47 | 150.44.246-2 | Панель сиденья пассажира | |
| 48 | АС35-6105008 | Пружина | |
| 48 | АС35-6105008 | Пружина | |
| 49 | ИРБ9.00.01 | Накладка | |
| 49 | ИРБ9.00.01 | Накладка | |
| 50 | РБ5.00.01 | Шайба пружинная | |
| 50 | РБ5.00.01 | Шайба пружинная | |
| 165 | Шайба 10 65Г 05 ГОСТ 6402-70 | Шайба 10 65Г 05 ГОСТ 6402-70 |
Содержащиеся в справочниках-каталогах запасные части и детали не предлагаются к продаже, а носят исключительно информационный характер