Смоленск
Эль-Монте ваш город?
Да
Выбрать другой город
Написать в
WhatsApp
Написать в
Telegram
Каталог

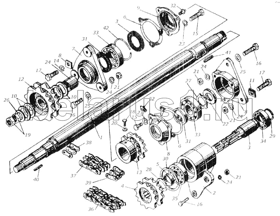
Каталог запасных частей к технике: Гомсельмаш КСК-100А. Механизм привода адаптеров

zoom-in zoom-out enlarge shrink circle-right circle-left file-text2 info cart
1
2
3
4
5
6
6
7
8
8
9
10
10
11
11
12
13
14
15
15
16
16
16
17
17
18
19
20
21
21
21
21
22
23
23
24
24
24
24
24
25
25
26
27
28
29
30
31
31
31
32
32
33
33
34
35
36
37
38
39
40
41
42
Позиция на иллюстрации Заводской номер детали Название детали
КИС 0143000Б КИС 0143000Б Вал
КИЛ 0142000 КИЛ 0142000 Контрпривод
1 КИС 0143020 Вал
2 КИЛ 0142201 Корпус
3 КИС 0142601 Вал
4 КИС 0142602 Звездочка
5 КИС 0142801 Втулка
6 КИС 0143001 Прокладка
7 КИС 0143101А Корпус подшипника
8 КИС 0143102А Корпус подшипника
9 КИС 0143103 Крышка
10 КИС 0143401 Шайба
11 КИС 0143501 Шайба
12 КИС 0143601А Звездочка
13 КИС 0143602 Звездочка
14 КИС 0143802 Втулка распорная
15 М10х25.56.019 Болт ГОСТ 7796-70
16 М14х50.56.019 Болт ГОСТ 7796-70
17 М14х60.56.019 Болт ГОСТ 7795-70
18 М10х30.88.35.019 Винт ГОСТ 1485-75
19 М27х2.6.019 Гайка ГОСТ 2526-70
20 М10.6.019 Гайка ГОСТ 11860-73
21 М14.6.019 Гайка ГОСТ 5915-70
22 ВМ42х1,5.6.019 Гайка ГОСТ 11871-80
23 10.65Г.019 Шайба ГОСТ 6402-70
24 14.65Г.019 Шайба ГОСТ 6402-70
25 14.01.019 Шайба ГОСТ 11371-78
26 27.01.019 Шайба ГОСТ 11371-78
27 42.01.019 Шайба ГОСТ 11872-80
28 В 38 Кольцо ГОСТ 13942-68
29 В 40 Кольцо ГОСТ 13942-68
30 А 90 Кольцо ГОСТ 13943-68
31 2-2-50х70-1 Манжета ГОСТ 18752-79
32 1.2 Ц6 хр Масленка ГОСТ 19853-74
33 1309 Заказать Подшипник ГОСТ 5720-75
34 60208 Подшипник ГОСТ 7242-70
35 60308 Подшипник ГОСТ 7242-70
36 КГБ 12-10 Цепь ТУ 3-970-76 (L=939,8 мм)
37 КГВ 12-10 Цепь ТУЗ 3970-76 L=330,2 мм к.з.=13
38 С-КГВ 12-10 Звено ТУ 3970-76
39 П-КГВ 12=10 Звено ТУ 3-970-76
40 3-12х8х40 Шпонка ГОСТ 23360-78
41 14х9х70 Шпонка ГОСТ 23360-78
42 Н 026.508 Кольцо распорное
Содержащиеся в справочниках-каталогах запасные части и детали не предлагаются к продаже, а носят исключительно информационный характер