Смоленск
Эль-Монте ваш город?
Да
Выбрать другой город
Написать в
WhatsApp
Написать в
Telegram
Каталог

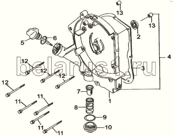
Каталог запасных частей к технике: ЗиД Двигатель 1P39QMB. Правая крышка картера

zoom-in zoom-out enlarge shrink circle-right circle-left file-text2 info cart
1
2
3
4
5
6
7
8
9
10
11
11
11
11
12
12
12
12
13
13
Позиция на иллюстрации Заводской номер детали Название детали
1 11311 Заказать Правая крышка картера
2 13180 Правый сальник 16,4х30х5
3 11319 Прокладка правой крышки картера
4 11301 Правая крышка картера в сборе
5 15611 Стержневой масломер
6 15612 Уплотнительное кольцо
7 15450/1P52QMI Сетка масляного фильтра
8 15461/1P52QMI Пружина сетки масляного фильтра
9 15462/1P52QMI Уплотнительное кольцо
10 15463/1P52QMI Крышка сетки масляного фильтра
11 GB5787-86 Болт М6х100
12 GB5787-86 Болт М6х85
13 11318/1P52QM1 Штифт 8х14
Содержащиеся в справочниках-каталогах запасные части и детали не предлагаются к продаже, а носят исключительно информационный характер