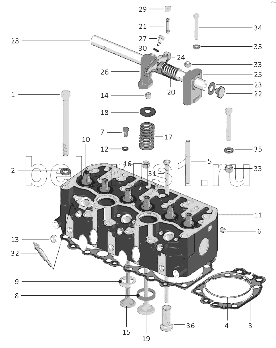
Каталог запасных частей к технике: ММЗ Д-260S3A. Установка головок цилиндров
260-1003012-А2-01
260-1007100-A
260-1003013-А2-01
1
1
1
2
3
3
4
5
6
7
8
8
8
9
9
9
10
10
11
12
13
14
14
15
15
15
16
16
17
17
17
17
18
19
19
19
20
20
20
21
22
23
24
25
26
27
28
29
30
31
32
33
33
34
35
35
36
36
| Позиция на иллюстрации | Заводской номер детали | Название детали | |
|---|---|---|---|
| 260-1003012-А2-01 | 260-1003012-А2-01 | ГОЛОВКА ЦИЛИНДРОВ | |
| 260-1007100-A | 260-1007100-A | Механизм коромысел | |
| 260-1003013-А2-01 | 260-1003013-А2-01 | ГОЛОВКА ЦИЛИНДРОВ | |
| 1 | 260-1003124-Д | Болт | |
| 1 | 260-1003124-Д1 | Болт | |
| 1 | 260-1003124-Б | Заказать | Болт |
| 2 | 245-1005128 | Шайба | |
| 3 | 260-1003020 | Заказать Заказать | Прокладка головок |
| 3 | 263-1003020 | Заказать | Прокладка головок |
| 4 | 260-1003031-А1 | Кольцо | |
| 5 | 240-1003112 | Заказать | ШПИЛЬКА СТОЙКИ |
| 6 | 240-1003037 | Заказать | Заглушка |
| 7 | 240-1003281 | Пробка | |
| 8 | 245-1003018-Б6 | Заказать | Седло клапана впускного |
| 8 | 245-1003018-Б2 | СЕДЛО КЛАПАНА ВПУСКНОГО | |
| 8 | 245-1003018-Б1 | Седло клапана впускного | |
| 9 | 245-1003019-Б2 | СЕДЛО КЛАПАНА ВЫПУСКНОГО | |
| 9 | 245-1003019-Б6 | Заказать | Седло клапана выпускного |
| 9 | 245-1003019-Б1 | Седло клапана выпускного | |
| 10 | 263-1007032 | Втулка направляющая клапана | |
| 10 | К3.30.0257-10 | Втулка направляющая клапана | |
| 11 | 260-1003015-А2-01 | ГОЛОВКА ЦИЛИНДРОВ | |
| 12 | 36-1104788 | Кольцо | |
| 13 | Д02-003-А | Заказать | Заглушка |
| 14 | 50-1007053-А1 | Заказать | Сухарь клапана |
| 14 | 50-1007053-А2 | Сухарь клапана | |
| 15 | 240-1007015 | Заказать Заказать Заказать | Клапан |
| 15 | 240-1007015-В | Клапан выпускной | |
| 15 | 4753421198 ВМС | Клапан | |
| 16 | 240-1007020-Б-В | Манжета уплотнительная клапана | |
| 16 | 240-1007020-Б | Заказать | Манжета уплотнительная клапана |
| 17 | 240-1007045-А | Пружина клапана | |
| 17 | 240-1007045-А3 | Пружина клапана наружная | |
| 17 | 240-1007045-А4 | Пружина клапана наружная | |
| 17 | 240-1007045-А6 | ПРУЖИНА КЛАПАНА НАРУЖНАЯ | |
| 18 | 240-1007048 | Заказать | Тарелка пружин клапана |
| 19 | 4753526630 SC | Клапан впускной | |
| 19 | 260-1007014-В | Клапан впускной | |
| 19 | 260-1007014 | Заказать | Клапан впускной |
| 20 | 50-1007103-А | Пружина оси коромысел | |
| 20 | 50-1007103-А1 | Пружина оси коромысел | |
| 20 | 50-1007103-А2 | Пружина оси коромысел | |
| 21 | 50-1007175-Б1 | Заказать | Винт регулировочный |
| 22 | 50-1007182 | Пробка оси коромысел | |
| 23 | 50-1007183 | Шайба пробки | |
| 24 | 50-1007212-А4 | Заказать | Коромысло клапана со втулками |
| 25 | 240-1007151-Б | Заказать | Стойка оси коромысел крайняя |
| 26 | 240-1007152-Б | Заказать | Стойка оси коромысел средняя |
| 27 | 240-1007185 | Фиксатор оси коромысел | |
| 28 | 260-1007102-А | Ось коромысел | |
| 29 | Д02-063 | Заказать | Гайка |
| 30 | 10.65Г.06 | Шайба | |
| 31 | 260-1007310/-А | Штанга | |
| 32 | 11 720 720 | Свеча накаливания | |
| 33 | М12-6Н.6 (S18) | Гайка | |
| 34 | М12-6gx85.88.35.016 | Болт | |
| 35 | А 12.01.08кп | Шайба | |
| 36 | 240-1007375-А1 | Толкатель клапана | |
| 36 | 240-1007375-А2 | Толкатель клапана |
Содержащиеся в справочниках-каталогах запасные части и детали не предлагаются к продаже, а носят исключительно информационный характер