Каталог запасных частей к технике: ММЗ Д-245.7E2. Головка цилиндров
245-1003013-Б1
245-1003011-Б1
1
2
3
3
4
4
5
6
7
8
9
10
11
12
12
12
13
14
14
14
15
15
15
15
16
16
16
17
18
19
20
21
21
22
23
23
24
25
26
26
26
27
28
29
30
31
32
33
34
35
36
37
38
38
39
40
41
42
43
44
45
45
47
49
50
51
52
52
52
53
54
55
56
57
58
59
60
61
62
63
63
64
65
66
67
68
69
70
71
72
73
74
75
76
77
77
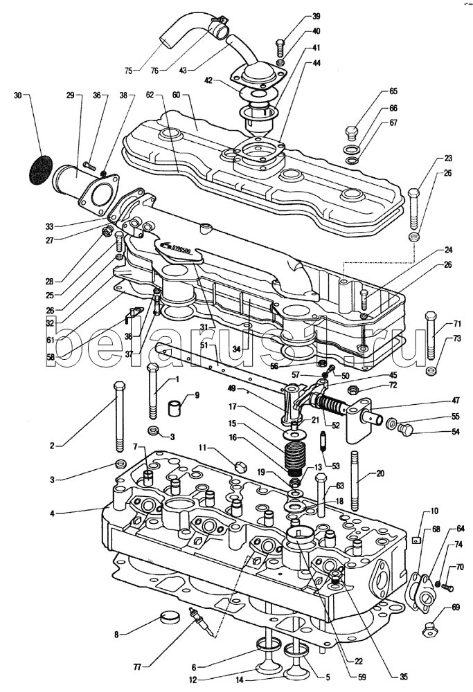
| Позиция на иллюстрации | Заводской номер детали | Название детали | |
|---|---|---|---|
| 245-1003010-Б1 | 245-1003010-Б1 | Установка головки цилиндров и впускного тракта | |
| 245-1014450-02 | 245-1014450-02 | Установка сапуна | |
| 245-3707030-01 | 245-3707030-01 | Установка свечи накаливания | |
| 245-10144770 | 245-10144770 | Установка трубы сапуна | |
| 240-1007100-61 | 240-1007100-61 | Механизм коромысел | |
| 245-1003030-Г1 | 245-1003030-Г1 | Крышка головки цилиндров | |
| 245-1003013-Б1 | 245-1003013-Б1 | Головка цилиндров | |
| 245-1003011-Б1 | 245-1003011-Б1 | Головка цилиндров | |
| 245-1003010-Б1-22 | 245-1003010-Б1-22 | Установка головки цилиндров и впускного тракта | |
| 245.1003010-Б1-21 | 245.1003010-Б1-21 | Установка головки цилиндров и впускного тракта | |
| 1 | 240-1002047 | Заказать | Болт |
| 2 | 240-1002047-01 | Заказать | Болт |
| 3 | 48-1002318 | Заказать | Шайба |
| 4 | 245-1003015-Б1-01 | Головка цилиндров | |
| 4 | 245-1003015-Б1 | Головка цилиндров | |
| 5 | 245-1003018-Б1 | Седло клапана впускного | |
| 6 | 245-1003019-Б1 | Седло клапана выпускного | |
| 7 | 245-1007032 | Заказать Заказать Заказать | Втулка клапана направляющая |
| 8 | 240-1003027 | Заказать | Заглушка |
| 9 | 240-1003029 | Заказать | Втулка |
| 10 | 240-1003037 | Заказать | Заглушка |
| 11 | Д02-003-А | Заказать | Заглушка |
| 12 | 240-1007015-Б6 | Клапан выпускной | |
| 12 | 240-1007015-Б7 | Клапан выпускной | |
| 12 | 240-1007015-Б9 | Клапан выпускной | |
| 13 | 240-1007020-Б | Заказать | Манжета уплотнительная клапана |
| 14 | 245-1007014 | Клапан впускной | |
| 14 | 260-1007014-А | Клапан впускной | |
| 14 | 260-1007014 | Заказать | Клапан впускной |
| 15 | 240-1007045-А4 | Пружина клапана наружная | |
| 15 | 240-1007045-А3 | Пружина клапана наружная | |
| 15 | 240-1007045-А2 | Пружина клапана наружная | |
| 15 | 240-1007045-А5 | Пружина клапана наружная | |
| 16 | 240-1007046-А1 | Пружина клапана внутренняя | |
| 16 | 240-1007046-А4 | Пружина клапана внутренняя | |
| 16 | 240-1007046-А3 | Пружина клапана внутренняя | |
| 17 | 240-1007048 | Заказать | Тарелка пружин клапана |
| 18 | 240-1007054 | Шайба пружины клапана нижняя | |
| 19 | 240-1007055 | Шайба пружины клапана верхняя | |
| 20 | 50-1003112 | Заказать | Шпилька стойки |
| 21 | 50-1007053-А2 | Сухарь клапана | |
| 21 | 50-1007053-А1 | Заказать | Сухарь клапана |
| 22 | 50-1003103-А | Стакан | |
| 23 | M8-6gx80.88.35.016 | Болт | |
| 23 | 240-1022070-03 | Болт | |
| 24 | M8-6gx30.88.35.016 | Болт | |
| 25 | M8-6gx35.88.35.016 | Болт | |
| 26 | 8.65Г.06 | Шайба | |
| 27 | 245-1003033-П | Коллектор впускной | |
| 28 | 245-1003037 | Футорка | |
| 29 | 245-1003270-Б | Труба воздухоподводящая | |
| 30 | 240-1003028-А | Заглушка | |
| 31 | 240-1003031 | Прокладка | |
| 32 | 240-1003032-А | Заказать | Крышка головки цилиндров |
| 33 | 240-1003264-А | Заказать | Прокладка |
| 34 | 2.5x10 | Штифт | |
| 35 | КГ1/8. А12.016 | Пробка | |
| 36 | M8-6gx30.88.35.016 | Болт | |
| 37 | M8-6gx35.88.35.016 | Болт | |
| 38 | 8.65Г.06 | Шайба | |
| 39 | M8-6gx16.88.35.016 | Болт | |
| 40 | 8.65Г.06 | Шайба | |
| 41 | 245-1014440 | Заказать | Стакан |
| 42 | 245-1014445 | Маслоотражатель | |
| 43 | 240-1002430-В | Корпус сапуна | |
| 44 | 240-1002444-А1 | Заказать | Прокладка |
| 45 | 50-1007212-А3 | Заказать | Коромысло клапана со втулками |
| 45 | 50-1007212-А4 | Заказать | Коромысло клапана со втулками |
| 46 | 240-1007151-Б | Заказать | Стойка оси коромысел крайняя |
| 47 | 240-1007151-Б-01 | Заказать | Стойка оси коромысел крайняя |
| 48 | 240-1007152-Б | Заказать | Стойка оси коромысел средняя |
| 49 | 240-1007152-Б-01 | Заказать | Стойка оси коромысел средняя |
| 50 | 240-1007185 | Фиксатор оси коромысел | |
| 51 | 50-1007102-А1 | Заказать | Ось коромысел |
| 52 | 50-1007103-А | Пружина оси коромысел | |
| 52 | 50-1007103-А2 | Пружина оси коромысел | |
| 52 | 50-1007103-А1 | Пружина оси коромысел | |
| 53 | 50-1007175-Б1 | Заказать | Винт регулировочный |
| 54 | 50-1007182 | Пробка оси коромысел | |
| 55 | 50-1007183 | Шайба пробки | |
| 56 | Д 02-063 | Гайка | |
| 57 | 10.65Г.06 | Шайба | |
| 58 | 240-1111125-А1 | Кронштейн | |
| 59 | 50-1003070-А | Прокладка головки цилиндров | |
| 60 | 245-1003122 | Заказать | Колпак крышки |
| 61 | 240-1003108 | Заказать Заказать Заказать | Прокладка крышки |
| 62 | 240-1003109 | Заказать Заказать Заказать Заказать | Прокладка колпака |
| 63 | 240-1007310-Б | Штанга | |
| 63 | 240-1007310-Б1 | Штанга | |
| 64 | 70-8115022-А | Заказать Заказать | Патрубок |
| 65 | 50-1003104-А | Гайка колпака | |
| 66 | 50-1003106 | Заказать | Шайба |
| 67 | 50-1003107-А | Кольцо | |
| 68 | 50-1015598 | Прокладка | |
| 69 | КГ3/8хА12.016 | Пробка | |
| 70 | M8-6gx20.88.35.016 | Болт | |
| 71 | M12-6gx85.88.35.016 | Болт | |
| 72 | М12-6Н.6 | Гайка | |
| 73 | 12.01.08кп | Шайба | |
| 74 | 8.65Г.06 | Шайба | |
| 75 | 20x29-1,6 | Рукав (L=900 мм) | |
| 76 | 20-32 NORMA-TORRO | Хомут | |
| 77 | 11 720 720 | Свеча накаливания | |
| 77 | СН-07-23 | Свеча накаливания АЕТ Тolmin (Словения) или свеча накаливания ФГУП УАПО г. Уфа |
Содержащиеся в справочниках-каталогах запасные части и детали не предлагаются к продаже, а носят исключительно информационный характер